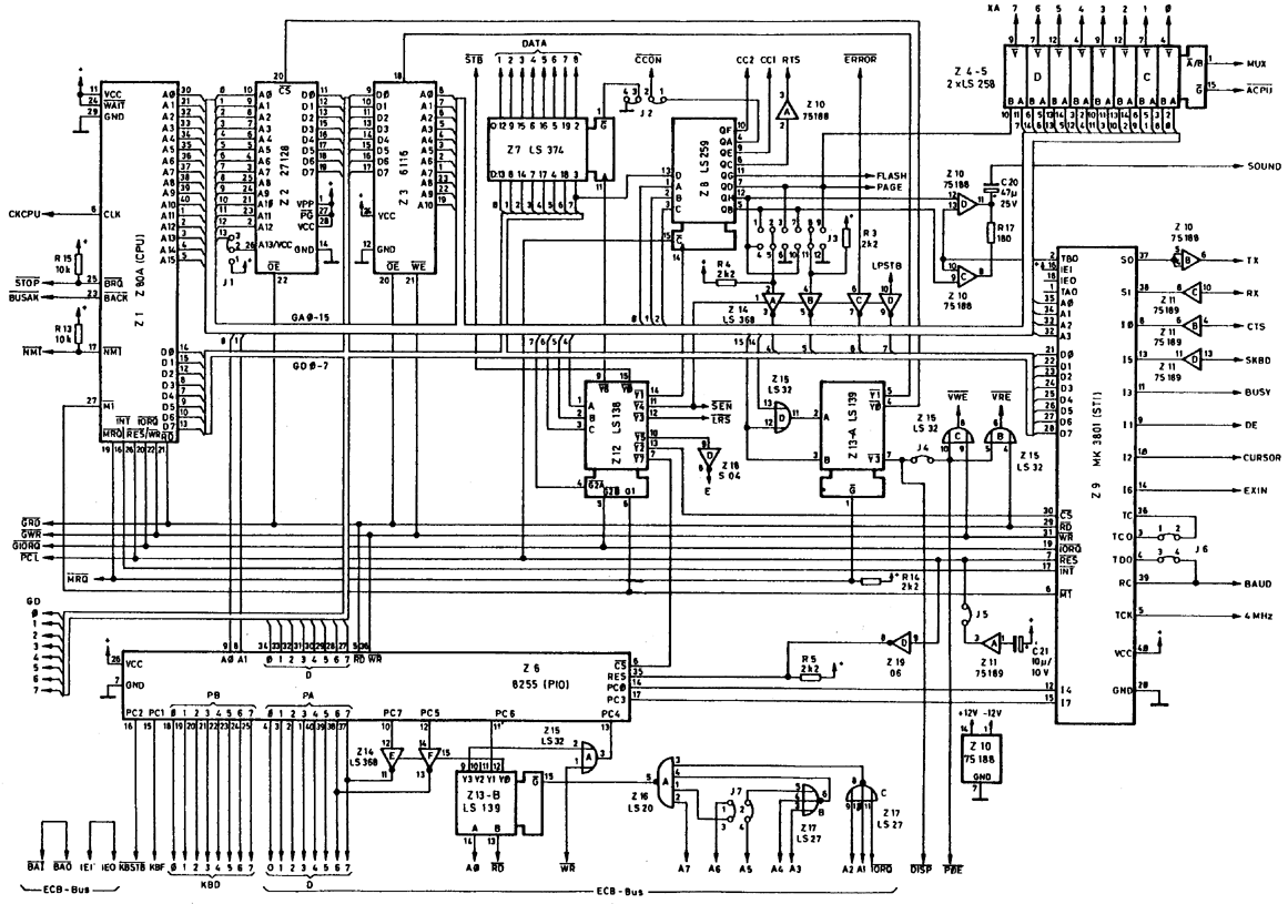
kurze Beschreibung <-| GRIP-1: CPU und Schnittstellen |-> Video und RAM



top   Startseite   nächste Seite     Fragen oder Kommentare an mich