SAGE News banner
p-System IV.1 bootstrap
SAGE Computer Technology banner
Stride Micro banner In Stride banner SAGE Startup Test 2.4

Home
Schematics
Schematics

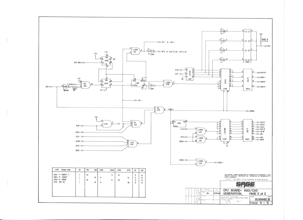
SageSchematics 006

 

[Home] [Systems] [Software] [People] [Manuals] [Catalogs] [Disk Images] [Marketing] [Sage News] [In Stride] [Tech Notes] [Byte Ads] [PCW Cover] [Pricing] [Schematics] [Schematics] [Screenshots] [FTP Site] [Links] [Looking for...] [Misc] [What's New]

W3CounterObj