
01 Rod
Introduction
Some of you reading this helped me live the story. Most others have
heard bits and pieces over the years. For a few the details may come as
a total surprise.
For those that don't know me, my name is Rod Coleman and Sage Computer
Technology was a company I founded in 1981 along with Bill Bonham and
Bob Needham. The objective was to create the world's fastest personal
computer. In that we succeeded. We then spent the next several
years producing thousands of these systems used for some of the most
demanding computer applications around the world.
More than a year ago, David Erhart, who had been collecting old
computers and had set up a Sage/Stride
Computer history site, asked me to document my memories
about our particular footnote of computer history. That's when I
started writing this blog post. A few weeks ago Sellam
Ismail from the Vintage Computer
Festival asked me to give a talk on the same topic at the
computer history museum in Mountain View. This was the motive I
needed to finish the project and prepare for the talk. This post is not
an objective history. I'll leave that to someone with all the facts.
Instead, it's my perspective of what happened, and why. It's a story of
working with friends, nepotism and shifting loyalties during a very
dynamic, and even romantic period of computer history.
YouTube of
the Vintage Computer Presentation...
I began formal design of the Sage Computer on August 15th, 1981. This
was the same day IBM introduced their PC to the public, which was also
one of the reasons I began the work. But that's not where this story
starts. The concept for the Sage first occurred to me three years
earlier in 1978, but my reasons and the motives of many of the people
critical to its creation came together in a much earlier period...
Lonnie and Dave Cline
I grew up in a small mill town in northern California. My father owned
a trucking company. I loaded trucks as a kid - NOT very technically
exciting. But my aunt's house was a different story.
When I was five, my older cousin Lonnie Cline showed me how to make a
telegraph out of a Coke can, a piece of wood, some nails, wire and a
battery. This was not the cup and string trick. This thing actually
worked! It communicated at a distance. This was REAL science.
In fourth grade Lonnie taught me about radio and electronics.
We'd just come back from the dump with a box full of parts from
old television and radio sets. He explained what each part was
and how it worked. Later I built a shortwave radio from a kit, and got
my Morse code up to five words per minute.
In high school I developed an interest in logic, digital electronics
and computers. I created the circuit design for an ALU based on
diagrams from an article in Scientific
American.
During this time I learned about Alan Turing and George Boole. Boolean
logic made sense to me. I was impressed to discover that anything
that could be computed, could be calculated using AND, OR, NOT, STEP,
IF and LOOP. Simulation of the universe came down to six primitives. At
least that's what I thought at the time.
Lonnie's brother, Dave, was also interested in electronics but
preferred analog design. We would create competing designs using
opposite approaches. I later learned TTL.
It was now 1969 and the Viet Nam war was at its peak. I was drafted and
got a chance to learn power generation and avionics in the Army. I
learned to fly in Korea and bought an airplane with my dad when I got
back home. That was my pre-college background. Lonnie and Dave would
come to play significant roles in the evolution of Sage Computer.
Bob Needham
In college I met Bob Needham while waiting to time-share the only
computer terminal at the school. Access was through a TTY connected to
an HP-2000B at Berkeley. We both learned BASIC on that terminal. I
would model my chem labs backwards and come up with starting data. It
was faster than doing the actual lab work. Bob would break in through
the skylight at night to get his lab work done. Bob and I also built
and flew hang gliders together. We shared other interests and became
good friends.
About this time Lonnie showed me an ad for the new HP-35 calculator.
This was a truly fantastic device. HP was back-ordered on the product
for six months, but you could buy them in person at the HP factory
office. I flew down to Palo Alto and bought one each for Lonnie and
myself. I learned a lot about math from that calculator. This was my
second contact with an amazing HP product.
Later I bought the upgraded HP-45 and wrote many programs. And yes, I
also bought and used the belt case which was VERY weird in 1972. Lots
of people thought I was carrying a gun, but like any geek, I didn't
care.
I was offered a job by a local chain of auto parts stores. This
was a chance to have access to a dedicated CPU, one of only three in
the county at the time. I dropped out of college to write RPG-II
software for this IBM System 3. I also learned inventory control and
accounting in the process.
One day Dave Cline walked into my office with the January 1975 issue of
Popular Electronics. It had the Altair personal computer on the cover.
We analyzed the specs and decided it was very cool, but couldn't really
do much.

02 Osborne Book
Soon after I discovered Adam Osborne's book, "Introduction
to Microprocessors", which I studied for months. Before that I
understood logic and electronics as well as high-level programming.
This book helped me connect the two disciplines into a microprocessor.
I also knew about Moore's Law and realized that all information would
ultimately be stored in digital form. And if silicon topped out, disk
drives could always scale in capacity.
This was long before the internet. My vision was one of huge physical
disk drive arrays in orbit, broadcasting data to people around the
world as needed. In the long term, content was just a matter of
applying those six primitives, along with access methods. And access
was just a matter of logical addressing.
I started a company called Audio Literature to begin capturing that
content on cassette tapes. Dave Cline did the production and we hired
professional readers. Yes, it was analog, but it was content. We
produced over sixty titles of classic novels, poetry and short stories,
selling them all over the world, right up until I got distracted by
Sage.
Bill Bonham and Paul
Lima
In 1976 I moved to Reno, Nevada to do gaming analysis for another IBM
System 3 account. Dave also moved to Reno so we could continue
literature production. Dave went to work for Lynch Communications for
his day job. Lynch at the time was the state's largest manufacturer,
with over 1300 employees. They produced telephone equipment.
Dave introduced me to Bill Bonham and his wife Verlene who were
engineers at Lynch. Bill was the first person I knew who actually owned
a personal computer.
At home Bill had a DEC-PDP/8 (Straight-8) and had developed a series of
cross-assemblers for these new microprocessors. Here was a guy who knew
the secrets of system software and assembly code, and I was curious.
For me, assembly code was the last piece in the puzzle of how computers
actually worked.
At Lynch, Bill was writing software for the Intel 8008 and needed an
assistant. This was my chance. I interviewed with Bill and also Paul
Lima, who became my boss. Paul was another impressive guy. He had
studied at MIT and later worked at Bell Labs. He was very good with
hardware design.

03 Lynch Logo
Soon Lonnie and Bob also moved to Reno to work for Lynch. Like I said,
there's a lot of nepotism in this story, and it started here. Besides,
Lynch was a great place to learn technology. They had begun converting
all their designs to digital. There was plenty to do.
Steve Jobs
During this period, Dave and I drove down to one of the world's first
computer stores - the Byte Shop at El Camino Real and Lawrence
Expressway in what would become known as the Silicon Valley. There we
saw the new Altair box, but in the back room was something even more
interesting.
Steve Jobs was demonstrating his Apple I, which was just a collection
of circuit boards connected by ribbon cables lying on the table. But it
was running a useful program. Steve showed me how to boot up and play
Bagles on his system. But then he got distracted when the owner of the
store walked in.
Steve was trying to sell this guy plywood boxes to hold all the parts.
Even then Steve Jobs was about form over function. But I had to admit,
Bagles WAS the most impressive thing I'd seen a personal computer do up
until that time. Still, I waited for something more useful before
spending my money.
I discovered my system a year later when it was rumored that Radio
Shack was going to produce a personal computer. I found a phone number
and Steve Linenger answered the phone. He's the guy who designed the
first Radio Shack computer. I ordered one on the spot and received
serial number 23 a few weeks later.
The Radio Shack TRS 80 Model I was a complete packaged system with tape
drive and monitor. It had a version of BASIC and tape operating system
all in 4 kbytes of ROM, running in another 4 Kbytes of RAM. I wrote a
loan analysis program as well as other simple applications. They were
mostly things from my calculator coding since resources were very
limited.

04 TRS 80 Mod 1
After learning assembly code, I spent a year at Lynch writing CICS and
COBOL for their IBM-370. I came to understand big systems as well as
small.
In 1978 I read the first rumors of the Motorola 68000 microprocessor.
It was reported to be based on the 370 architecture, but without memory
management. The thing that got my attention were the 32-bit registers.
All other processors used various forms of bank switching to address
data larger than 64 Kbytes (even though this much memory was admittedly
rare at the time). I saw these registers as the key to handling the
huge content I had envisioned years ago in my space data bank.
I began thinking about doing with the 68000 what Steve Wozniak had done
with the 6502 or Steve Linenger had done with the Z-80. It was what I
called my dream machine. You know, if you could design the perfect
computer, what would it be like? As time went on, I kept adding other
pieces and the design started becoming more real - but only in my head.
p-System
My 8008 work at Lynch was my first actual coding for a microprocessor.
Later I helped design systems and wrote code for the Zilog Z-80. Lynch
also bought serial number 3 and 4 of the new Shugart 14" disk drives
for our project. This was state of the art at the time.
About then, Bill introduced me to the p-System and Pascal. He had been
working with the group at UCSD (University of California at San Diego)
who had developed it from the Niklaus Wirth design.
Lynch was the first commercial installation of the p-System outside the
University. Later Apple picked it up, calling it Apple Pascal, where it
was used by thousands. I fell in love with Pascal and structured
programming. Later I learned the advantages of Modula-2. It was all
excellent technology.
Lynch was also where I had discovered HP analyzers. This was the third
time HP had REALLY impressed me with their products. I especially liked
the HP-1610 and got good at ganging it with the HP-1615 to drill down
into almost any microprocessor hardware or software problem. For a
couple of years I LIVED these analyzers. The HP rep even wanted to hire
me, but without a degree I couldn't get past personnel. This was the
only time in my life I regret not having a degree.
The Why of Sage
Computer
In 1980 I became involved with Bob's sister, Cheri Lynn. I moved to San
Francisco to live with her and took a consulting contract with General
Electric in San Jose.
At GE I worked for a guy named Bud Hill who had an interesting history
with the CIA in the Kennedy administration. There was much he couldn't
disclose, but what he did say was fascinating. We became good friends.
He was also great with computer concepts.
In April of 1981 EDN had a cover story comparing the new Intel, Zilog
and Motorola processors. Their conclusion was the same as mine - the
Motorola 68000 won by a wide margin. Its 16, 32-bit registers opened up
the space beyond 64 Kbytes and its raw performance was impressive. I
was convinced this large address space was the key to future operating
systems and application software. It was just a matter of who did the
first low-cost design. I was waiting to buy one. I just didn't know
from whom yet.
I knew Sun was working on a design, but with their UNIX background, it
would be an up-market, more expensive system. I was looking for someone
to do a real personal computer version.
There were rumors IBM would soon introduce a personal computer, and of
course I assumed it would use the Motorola chip since the 68000 was
based on the IBM-370. But IBM was also known for producing big iron.
Could they design a REAL personal computer?
As it turns out, they could. And did. But when word got out they would
use the Intel processor, I couldn't believe it. They had turned their
back on their own approach and tied themselves to a severely limited
architecture, not to mention poor basic performance. The decision was
later attributed to price and availability of chips at the time that
they committed to the purchase contract.
One important rule of system design is that you select parts based on a
moving target. In other words, you pick parts based on their PROJECTED
price and availability. In my view, someone didn't do their homework.
I still believe this single decision was one of the biggest perversions
of technology in the history of computers. Considering the millions of
man hours of coding time wasted on Intel's then limited architecture,
we could all be at LEAST five years farther into the future right now.
On the other hand, I realized this was a major opportunity. The world
would be busy chasing IBM's definition of a personal computer, which
would give me a chance to build a niche with a fundamentally better
product.
Apple was still a possible threat, but nothing was yet close. My dream
machine just might be worth pursuing.
I talked all this over with Bill Bonham, Paul Lima and Bob Needham. No
one could find any major objections to my logic, though Bill didn't
believe I could quite get the performance I predicted because of
refresh and wait states.
Lonnie, Dave and I also went for long walks discussing my design. At
some point I think I began to bore everyone.
Back in San Jose, I finally got around to Bud Hill. When I was done
with my presentation he looked at me and said, "Well?". I of course
responded, "Well, what?".
Bud explained there were probably more than a thousand people currently
in the valley with the same general idea. The only thing that would set
one of them apart was action. He noted that good ideas were easy. Real
products were hard. It was the DOING that made the difference.
He said, "Sometimes genius isn't genius at all - it's just a bias to
action layered with lots of conviction". THAT was the very instant I
decided to build my dream machine. And the sooner I got started, the
better.
Finding a Home
I had the idea. Next I would need a design team, then a business plan
to get funded. Only then could the technical work begin.
After all this time, the system design was clear in my head, right down
to most of the peripheral chips. Paul Lima agreed to moonlight from
Lynch and help me with the circuit design. I had my hardware guy. Bill
also agreed to moonlight from Lynch and write a BIOS as well as
p-System port. I had my software guru. Bob Needham had just left Lynch
where he had managed the circuit board prototype shop. He could do the
board design and tape-up. The only problem was, he would need a salary.
I was also looking to get a royalty on the design for each of us.
My first stop was the Chairman of Lynch Communications. Yes, he knew
about the moonlighting plan. He was a reasonable guy, but didn't
understand the product or the market which was relatively small at the
time. He turned down my business plan but wished me luck. Later he told
me he was sorry to miss the chance.
Next I went to my second choice, IMS International. They were in Carson
City and had been building S-100 based personal computer boards and
systems for years. Plus, they were actually looking for a new product
line. They were also the only company in the area with an understanding
of the product as well as distribution and marketing.
IMS was run by Don Lehr and Al Feagan but Don was the reason they were
my second choice. He was a very good hardware engineer and known as a
tough negotiator. His only weakness was, he didn't really have a
passion for computers. He got started purely for the profit. But that
wouldn't be a problem. Bob, Bill and I had enough passion to go around.
The real problem was more serious.
I had talked with several people who had left IMS. To them, Don was
known as "Jabba the Hut". This was not because of his physical
presence. It was because of his autocratic nature. He ruthlessly
micro-managed every aspect of design and manufacture. He was generally
right - even when he wasn't.
I took all of this into account when I brought him my business plan. We
got along well and I gained a profound respect for his technical
abilities. He definitely knew what he was doing.
At the end of my presentation he said he was interested but wanted to
meet the rest of the team. I brought them in. After a tour and
interviews, Don agreed to fund the design but at a reduced royalty. I
didn't care as much about the money at that point...I just wanted to
see the computer built. Don and I started working on the details of the
contract.
I then went back to San Jose where I was finishing up the GE work. When
I got back to Reno the next weekend everything had changed. Don had not
only dropped the project, he had hired Paul Lima from Lynch as his new
design engineer.
Paul of course had the best resume in our group, but he had no real
detail of my concept. I believe Don felt he'd also bought the design
when he hired Paul. And indeed, Paul DID work on a 68000 project at IMS
for a while, but was soon overwhelmed with Don's autocratic input and
nothing ever got created.
Still, none of that mattered to me at the time. I was odd man out. It
was my first taste of betrayal in this saga. At least that's how it
felt. Not only had I lost the contract, I'd lost an important resume
from my business plan. I needed a vacation.
05 Grand Canyon
Plan B
As soon as I finished my work with GE, Cheri and I took the airplane to
the Grand Canyon. Back then it was uncontrolled VFR flight rules, and a
blast to fly off the edge of the canyon at a hundred feet and watch the
ground drop away. After a couple of days exploring we stopped at Lake
Havasu and Death Valley. Hiking helped my thinking process.
By the time I got back I'd decided to fund the development myself as
plan B. I still had conviction about this dream machine.
I might not have had Don Lehr's manufacturing, marketing and
distribution capabilities, but if the design worked out, I hoped to be
able to create a niche as a high-performance instrument controller.
I had remembered HP's analyzers which of course had the HP-IB
instrument bus, later known as the IEEE-488. If I added this interface
to my dream machine, I could always drop back into the instrument
market if I couldn't sell it as a personal computer. I had a plan B for
my plan B. But first I needed working prototypes.
With my consulting job I had saved $16,000 planning to buy a new
Porsche. I could put the car on hold. Bill also had $5,000 he would
invest and Bob's dad, Gene put in $5,000 for Bob. This defined the
ratio of ownership - 60/20/20.
It doesn't sound like much, but $26,000 was more than twice what it is
now. It was enough to buy parts for three systems, rent analyzers and
pay Bob's salary for a few months. At the very least we'd each get a
computer out of the experience.
August 15th 1981 -
Sage Founded
It was a fluke that I started full-time August 15th, 1981 - the day the
IBM PC was introduced. I'd known it was happening soon, but I heard
about it on CNN that afternoon. For me, IBM's introduction was like a
starting gun going off.

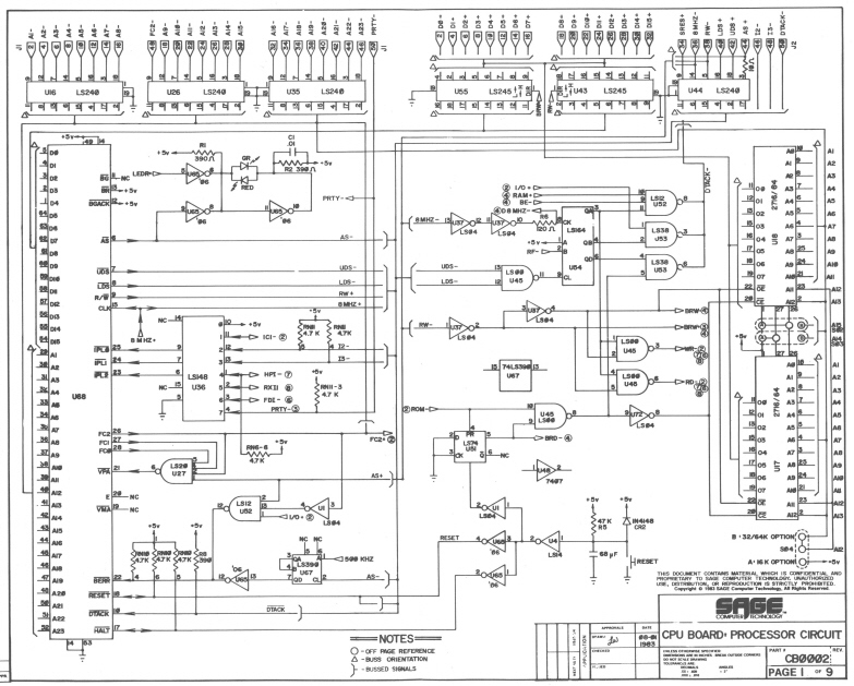
06 Processor Schematic
By the time Cheri and I moved back to Reno on September 1st, I had
enough schematic defined for Bob to begin layout. We cleaned out Bob's
basement and set up shop there. We were so close our desks were
touching, but that was good for communication. At least for a while.
I remember reading a quote at the time from Steve Wozniak. He said the
personal computer industry had gotten too big to start a computer
company in a garage anymore. I laughed when I told Bob, "Good thing
we're in a basement".
I barely stayed ahead of Bob taping as I designed and verified from the
processor out. Most of my time was spent researching spec sheets and
pin-out of various parts. The 68000 I knew by heart. It was the
peripherals that required the digging.

07 Bob and the Cat
This period was all a zoom. Bob and I were working 16 hours a day,
seven days a week. I remember not bothering to change jeans because it
took too much time to swap out my belt. I probably didn't smell too
good, either.
In October, Cheri said she needed some time to talk. Assuming she
needed some quality time, I came home in the afternoon and took her to
the movie. But it wasn't a movie she wanted to talk about. She had
decided it was time for our relationship to end. She moved out. No, I
don't consider this a betrayal. I guess after two months she got tired
of being ignored. Oh, and she had a new boyfriend. Everyone's got to
follow their heart.
Yes, this was harder than I'm acknowledging. I DID take a couple days
off and went hiking. It's how I deal with stress. Fortunately, I had a
lot to do when I came back. So I did it.
The key to performance was the fetch, and hardware refresh design for
the memory. I knew Sun used software refresh in their first design and
I wanted the advantage of hardware refresh for marketing comparisons.
I went over and over the timing diagrams, but each time came up with
only ONE nanosecond to spare. That was one billionth of a second out of
250 per fetch. Normally you want more slack in a design, but I went
with it anyway.

08 Memory Schematic
Much later I met a guy named Hal Hardenburg who had designed a
68000-based system and wrote a version of BASIC to run on it. Hal also
published a newsletter named "DTACK Grounded", referring to the Data
Transfer Acknowledge pin on the 68000 processor. His approach was to
simply ground that pin so the processor would run flat out all the
time, assuming data was always ready. This is fine if you're SURE data
will always be stable, but I kept DTACK in the loop just in case.
The point is, there are always ways to make things go faster depending
on how many rules you want to bend. Or break. I worked hard to go as
fast as possible, but still meet published spec.
Another important design point was our use of a double-sided board.
Normally at these speeds you would use a four-layer board with power
and ground plane, but we didn't have enough money for such exotic
technology. We added lots of capacitors instead.
I had put off the floppy controller design until the last minute
because it was a bit tricky and I had no experience. As I recall, this
was Woz's most famous circuit on the Apple I. I knew people would be
looking closely.
A week before Bob was scheduled to tape it up, I found a brand new
single chip floppy controller from IDT. I FedExed in the data sheet and
samples. That's pushing the limits of good design too, but I lucked out
riding the bleeding edge for this new part.
In the end I made a couple of mistakes with the serial ports which were
later discovered by an early adopter, Eric Smith (thanks, Eric). But
the overall design was solid.
Bob called trace and pin-outs while I checked. Then we did it all again
the other way around. I called trace and pin-outs while Bob checked.
You get numb from the process.
Finally, there was nothing else to check. It was done. We were
committed. We got in the airplane and flew the layout down to the bay
area were we got the best prices and quality on board fabrication.
First Clock - 105 Days
Now it was a waiting game. The timing was fortunate. It was
Thanksgiving. I went back to Fortuna for the weekend.
When I got back to Reno, FedEx had arrived. Bob was already soldering
up the first board. This period too was all a zoom, but I remember we
had it clocking in a couple of days, executing instructions before
Christmas and booting the p-System from floppy before New Years. I
recall it was exactly 105 days from the beginning of actual circuit
design to functioning computer.

09 Sage Board
And not only did it function, it went like hell. Benchmarks were one of
the first things we ran and we were losing less than 2% of processor
time on refresh. With an 8 Mhz clock and four cycles per instruction,
we could perform just shy (98%) of 2 million additions per second. The
Sage was far faster than anything else in its class. It was up there
with some mini-computers at that time. We had hit our numbers. Not only
did it work, it worked well.
I've made all this sound easier than it was. That month was spent
finding and fixing hardware bugs. There were LOTS of wires on the
bottom of the board as well as more than a few on the top.
To debug, you start from the clock to the processor then out from there
testing elements with analyzers. There were errors, but they were ALL
implementation and not conceptional. In other words, board changes
fixed the problems. The design was solid.
There were other types of problems found during that month, but none
that slowed us down much. To Bill's credit, the software came up clean.
I don't remember any bugs at all. You'd have to ask Bill.
The prototype worked. We had our dream machine. We got busy fabricating
the other two systems. Next we needed to find out if anyone would buy
them.

10 Sage II
Roger Elton
Makes Us Legal
Now that we had a working prototype, funding would be easier. The
design was proven. We raised another $75,000 from family and friends.
In 1982 dollars, that was enough to get us to production.
I hired an attorney recommended by my next-door neighbor. His name was
Roger Elton and he too had an excellent resume. He had an EE degree
from MIT and law degree from Stanford. He was also a CPA and tax
attorney.
Once Roger checked us out, he became interested in our product. He soon
invested and joined our board. He remained an active board member and
never missed a meeting for the next several years. He was also a
personally trusted business adviser. I liked Roger. We got along well.
We'd also outgrown the basement, so on January 1st, 1982 we moved up to
a loft. Once we had plenty of room, Bob and I realized how much tension
there had been in such a tight space. Now we could finish the design in
comparative luxury.
Along with the technical and business problems, I also had to develop
marketing materials and plan an introduction. My roommate Mark Sorensen
pitched in and helped part time.
Also about this time Lonnie and Dave Cline as well as Verlene began
moonlighting to help with test and documentation. The whole Lynch group
was back together. Well, except for Paul Lima.

11 Fire
Hot Product
We had been in the loft for almost a month when disaster struck. It was
Sunday night and I was in the habit of going home at 7:00 to have
dinner and to watch 60 Minutes. As I was eating I got a call from the
fire department. Our building was in flames!
By the time I got there it was too late to do anything but watch. Even
though the fire started in the other part of the complex we already had
significant smoke and water damage. Next came the flames. Ours was the
last part to burn and they stopped most of the flames, but there wasn't
much saved. After standing around watching for hours, we all went home
and got some sleep.
The next morning the fire department finally let us in. What we found
wasn't good. I'd had off-site copies of schematics and Bill had
off-site backup for the software, but virtually everything on site was
useless. The new taped lay-out was in tact but unusable because of
smoke.

12 Water Damage
Fortunately, we'd been incorporated and INSURED for all of three weeks.
I didn't know it at the time, but we also had profit insurance. If we
could actually get to production and make a profit, we would get an
extra $50,000 payment. This would become important later on.
We didn't even bother to move the burnt stuff out. Bob and I took off
looking for a new space. We had a lease signed the next morning and had
moved everything of value by Tuesday night.
But now we had a REAL scramble on our hands. The fire put us a month
late and I'd already paid for a booth at the West Coast Computer Faire.
We had only six weeks to go from a fresh startup to product
introduction. Things again went from busy to frantic.
But it was organized chaos. We'd done it all before. We had the map in
our heads. And money helps. The insurance company wrote us a check.
Bob outsourced the board design and paid expedite fees. Then we focused
on buying. It was still a LOT of work turning a design in just six
weeks. Bill, Verlene, Mark, Lonnie and Dave all worked more than their
normal part time. Bob and I got little sleep. But we did it. We got
four computers running. It as enough to prove the Sage could be
manufactured.

13 Sage Brochure
West Coast Computer
Faire
Our product introduction turned out to be a hit, but it didn't start
that way. Only two reporters came to my press conference on the first
day. But then word got out. Traffic picked up.
By the third day we were mobbed at the booth. All we had to do was run
any Apple Pascal demo and people's jaws would drop - the Sage Computer
was 13 TIMES faster than the Apple II. And that's something you notice
if you've ever waited for a slow computer. The Sage was also almost
four TIMES faster than the still "new" IBM-PC.

14 West Coast Computer Faire
Another advantage of Sage's large address space and lots of RAM was
disk emulation. A few other system at the time had special-purpose
boards full of RAM dedicated to simulating a disk. But for us RAM-Disk
was just a page of code and included for free. RAM could be allocated
any way you liked, and changed just as easily. More importantly, it
made tasks normally pulled from a disk go about 100 times faster.
These performance advantages were so dramatic, people even thought we
were faking something, but they couldn't figure out what. Some thought
we were running native mode (not accomplished until months later when
we gained another 10 times in speed). I remember running the boot
sequence over and over so people could see that it was a fair
comparison of the p-System.
It's important to note there were other 68000 introductions at the time
but most were poorly done. The closest to us in performance was Sun,
but it was in a whole different price class.
Once people understood how fast and low cost the Motorola 68000 could
be if implemented as a personal computer, they started writing checks.
They were ready to pay the full price starting at $3600, but we only
took deposits at that point.

15 Jerry Pournelle
Jerry Pournelle and
Wilbur Harvey
This show is where I met Jerry Pournelle who had a popular column in
Byte Magazine. He gave us positive write-ups several times over the
next few years. Later on we became good friends. He did a book signing
of his best seller when I started my next business years later.
I also met a guy named Wilbur whose last name may or may not have been
Harvey. He liked to let people wonder - especially the government. Yes,
he was a conspiracy freak, but also an authentic geek. I remember being
impressed with questions about my memory interface. I could use a good
hardware engineer if we were going to get this thing into production on
time.
I talked Wilbur into moving to Reno and joining the team full time. He
turned out to be one of the most creative and effective designers I've
ever known. He also improved our memory interface.

16 First Production
June 1982 - Sage II
First Production
The past seven months had been one deadline after another. Now was the
most important one - production. I needed to get Wilbur on line and
turn a new rev of the board before our first manufacturing run of 25
systems. I gave us 75 days to do it. Once you define a deadline, you
tend to get there.
Along with this I had to fully organize a company with real marketing,
sales and administration. Once Wilbur was up to speed, I shifted my
focus to marketing.
I also hired another old friend from Lynch - Al Bennett as VP of
Manufacturing. He turned out to be the most understated and
over-performing employee I've ever had. He demanded almost nothing, but
ALWAYS delivered on commitments. He came on-line just after our first
production run. That was the last I ever had to worry about
manufacturing. And he only brought me issues when I needed to hear
them. Everyone should have at least one "Al" in their organization.

17 Al Bennett
In April I hired an accountant named John Bees as our controller. He
was only there for a few weeks. As soon as he got a good look at our
books, he requested a meeting. He said that at our current burn rate,
we'd be out of money before our second June payroll and he didn't want
to be there when it happened.
I explained that by then we'd have payment for the first systems
shipped. But I think we were a bit too wild for him. He quit anyway,
and I didn't work very hard to stop him. He wasn't my guy. If we were
to succeed, I knew the financial storms were going to be MUCH worse
than this. We still had lots of options. It wasn't even close.
Yep. Al and Wilbur met our production schedule. We shipped all 25 units
in June. And we got paid. The next month we shipped even more. Within
90 days we were shipping 50 units a month. From there we grew at about
25% per month, which doubled sales every ninety days. This growth rate
continued all during our first year of production. By the next June we
had our first million dollar month. But I'm getting ahead of myself.
This first year wasn't easy as this one paragraph describes.
Riding a Rocket with
Rick
Scaling the company was my other major challenge that summer. When
you're doubling every quarter, the company has to be re-invented
constantly. For me it was hire, train and delegate - over and over and
over and over.
I knew finance was going to be critical and a local head-hunter found a
guy in Portland who could help. Rick Kriss came down for an interview
and we clicked immediately. He had been with Nike and was also a
founder of Avia. But what convinced me to make him an offer was how
impressed HE was with the way the Sage ran his spreadsheets. Rick
definitely had some geek in him. He understood the product. More
importantly, he understood what our advantage meant, and how we would
need to handle the fast growth.
Over the next four years I probably spent more time with Rick Kriss
than any other employee. His sense of loyalty was absolute. Many others
came and went. Rick stayed with me even when we didn't agree. He was
probably exposed to more stress than I was, but NEVER wavered under
pressure. He was the perfect guy to have next to you in the foxhole.
Once I'd seen a few weeks of growth I knew we'd need money to scale
quickly enough to meet demand. Every computer we shipped sold two more
within three months. Rick saw and understood the growth as well. It's
what he called, "Riding a rocket".
Rick got our vendors to agree to 80 day terms in advance, which I'd
never heard of before - or since. That combined with the fact that all
orders were at that time prepaid, gave us an operation turn of 90 days.
This allowed us to grow on customer and vendor money! But I knew it was
not the best way to run a business. Things change and we had to be
ready. We needed slack.
Rick started bringing in investors and we closed a few small deals. He
also set up a 1.6 million dollar line of credit with the bank. I was
the only one personally signed on this line being the majority
stockholder. Since Sage dominated my assets, the risk didn't matter
much anyway. It was everything or nothing.
Along with Roger Elton, Rick set up a stock option plan so we could
hire more talent. And along the way, Rick also did a great job managing
the accounting department.
Rick and I worked well together. He would set up the meetings and I
would impress them with the technology. We were a dynamic duo. He found
very creative solutions when it came to business relationships from
vendors to investors. I learned a lot from him.
Speaking of secret names for the bosses, I later learned ours was Rick
Christ and God Coleman. This surprised me, since I've always considered
myself very approachable. But as I said, I DO have an inflated ego. And
Rick was always there backing it up.
Marketing Sage
With Rick on line, marketing was my new focus. And it was a good thing.
So far marketing had been by default. I knew how to present at trade
shows because seeing was believing. But we needed more.
I began a campaign of full page ads in Byte Magazine which seemed to
produce good leads, but my first rule of marketing was to simply do a
good job with the current customer.
Now, this may seem like the first rule of SALES, but it's not. Doing a
good job with THIS customer is really about selling the NEXT. The most
powerful force in marketing is word of mouth. You accomplish it with
product, performance and service.
After that it was about getting some press to back up the buying
decision, and seeding systems into the right places. We knew we were in
the early adopter phase and I wanted to make the most of it. Later I'd
worry about distribution.
One important contact was SofTech. They had the rights to the p-System
which we included free with each computer. I took a demo machine to San
Diego and left it at their office. We began selling systems to almost
every customer who visited them. They would literally call from
the SofTech office and order on the spot.
Later I did the same thing at SofTech's head office in Boston where I
met their chairman, Doug Ross. Again, with Rick's help, Doug became an
investor and Boston became another hot spot of sales.
Part of our success has to be attributed to our open design. This
simply means we not only published schematics, we literally made the
source code for the BIOS available. This allowed developers to have
confidence in moving forward with complex designs. They knew they could
always drill down to resolve technical issues. And it even gave some a
head start on other 68000 based products.
The Amiga Group (later bought by Commodore) was a major customer for
this very reason. They bought lots of Sage systems to develop the Amiga
hardware and later got a copy of the source code for Bill's Multi-user
BIOS. I still wonder if any of it ended up in the Amiga OS. Only they
would know. I didn't have a problem with this. Amiga was pushing the
envelope. This type of leading edge development was common with the
Sage. We had pushed out to the limits of microcomputer technology. And
we did it at a fair price. Now others were building on it.

18 SkyCam
Early Adopters
Another early adopter was Garret Brown who in 1978 won an Oscar for his
StediCam used in the making "Rocky" and "Return of the Jedi".
His new creation was called SkyCam and used the Sage as controller. We
were told it was because it was the only computer fast enough not to
snap the cables as it tracked athletes at the 1984 Olympics. These
"SkyCams" are now standard at many football games, but at the time, it
was pushing the envelope.

19 SkyCam Crew
Timberline, State of the Art and others used Sage to develop their
accounting and database systems.
Sage was one of the first personal computers able to display the
Mandarin language, because of its memory capacity.
Westland designed helicopter blades using Sage and Honeywell used the
Sage as the heart of their new CAD system. There are literally
thousands of other examples. Here's a good one...
David Packard and
Bill Hewlett
One Saturday I got a call from David Packard. No, it wasn't THAT David
Packard. But it WAS his son. He was doing graduate work on ancient
language and needed a system with lots of memory to store images of
Greek text.
I would have thought he could wave his hand and a thousand engineers
would have prototyped anything he needed - but he had bought a Sage
instead.
Here was an example of the clear advantage of Sage's address space and
a full megabyte of memory when most computers at the time had no more
than 64 Kbytes.
David brought his friend Bill Hewlett (Junior as well) and drove up to
Reno that weekend for a memory upgrade. This was a bit surreal for me.
Here were the son's of the "H" and "P" on my calculator, buying (of all
things) computer equipment from US.
Bill Hewlett got distracted by Wilbur and Bob, but David spent a couple
of hours talking about computers and his application. He turned out to
be a nice guy, and like any other computer user - focused on his
objective. He came back for other stuff later on. But you can
understand why I had such an ego at the time.
Roger Howarth
of TDI
Not long after production began, I went to a p-System conference in
Boston to give a presentation. There I met Roger Howarth and Chris Lee
from TDI in England, a technology distributor and VAR. Roger was a
marketing guy and Chris was Bill Bonham's counterpart.
They watched the demos quietly and asked a few probing questions. I met
them for breakfast the next morning and Roger gave me a check for two
systems. He also asked if we needed a distributor in England. I hadn't
even thought of international sales at that point. It was an
interesting idea.
My marketing plan after "key influentials" was to go forward with a
direct mail catalog, much as Heathkit had done for years. But by this
time we'd gotten lots of requests from dealers and VARs, so by default
we set up a domestic dealer program based on volume of sales. This one
tier distribution was working well and helped us scale more effectively.
But international was different - especially Europe and Asia. There was
distance. There were support issues. There was the question of
inventory. Roger offered to solve all these problems in a place I
didn't have the resources to address anyway. Here was a chance to
delegate, and I took it. Roger changed his flight plans and came to
Reno so we could work out the details.
TDI ended up becoming our largest and best customer, which aren't
always the same thing. TDI did a great job supporting the dealers and
even end users. I was also very impressed with Roger's understanding of
the industry. He taught me a lot about marketing and support over the
next couple of years. We became good friends.
Atlantic City Comdex
The next big trade show was Comdex in Atlantic City. Bob and Wilbur
drove a truck load of displays and computers out. We flew out and met
them at the booth. It was another successful show and I met with
various people trying to promote alternative operating systems for the
Sage.
I was after a true native 32-bit operating system to really show off
the power of the box. Unfortunately, it was a chicken and egg problem.
There was no reason to write an operating system unless there was LOTS
of systems in the field. My only solution was to keep shipping machines
as fast as we could.
While we were at the show a thunderstorm occured and ALL the lights and
power in the building went off at once. This was back before UPSes. The
lights were only off for a second but when the monitors came back on,
the Sages were still running. It was testament to good design and a
strong power supply.
We took to switching the CPUs on and off real fast to demonstrate
reliability. It was a cute trick. Many were impressed - including me.
Try it with any computer today. It won't work.
Sage Infrastructure
Not all of my work was in sales and marketing. I also needed lots of
infrastructure in a hurry. I went with those I had worked with in the
past where I could.
Bill had joined us full time and began writing a multi-user BIOS since
lots of customers thought the Sage was too much power to waste on only
one user.

20 Verlene Bonham
Verlene Bonham also came to work full time to write software and also
took over documentation. I remember fighting about the type of binding
we were using for our manuals. I don't remember if I got my way or not.
Lonnie Cline began developing our customer service department and
became our Technical Support Manager, a position he held for years. For
many, Lonnie became the face (and heart) of Sage Computer. He ended up
with friends in (and traveled to) more than thirty countries around the
world helping our distributors support their customers.
Dave Cline worked in sales and also helped with application support,
which was a critical task. Many of our customers were pushing one limit
or another and often needed help with interface and drivers. Dave was
good with both hardware and software support. He was also good with
people. He was very effective for a long time.

21 Mark Sorensen
Mark Sorensen also came on full time in order processing. He was still
my roommate. In fact my house became somewhat of a geek house with
Wilbur (and even his sister) living there at different times.
Since we're back on the nepotism topic, I also hired other Lynch
employees and in some cases ex-girlfriends. There were of course also
lots of young single guys. It made for a bit of a soap opera at times.
Karen Kowal was a good friend from Lynch who had been designing our
brochures from the very beginning. She came on full time and was there
for years.
Al hired a guy named Tom Hoops to head up Unit Test. Tom's wife became
our receptionist until they divorced a couple of months later. This
gave us one more bachelor.
Another lady I hired as receptionist was Laura Smith. She quickly took
over trade shows and did a great job. This was a common path. We would
hire a receptionist and they would demonstrate a talent and get stolen
by some department or another.
Geeks and girls make a volatile brew. The drama of success took its
toll on lots of relationships. At one point Bob separated from his wife
and was living in his office. I think Wilbur slept in his office a lot
too. It was a crazy time in lots of ways, but also very exciting.
By early 1983 we had over two dozen employees and had outgrown our
second location on Edison Way, so we moved into a modern 50,000 square
foot facility on Energy Way, about a mile south.

22 Energy Way Location
TDI Roll-out
It didn't take long for Roger Howarth to roll out a product
introduction. I flew to England to be part of it and was treated like
royalty - literally. That first night I met Chris Smith who was Roger's
boss and owner of TDI. He had reserved tables at some castle of some
king whose name I don't remember. But it WAS a very impressive place.
And that was just the start. They provided an apartment in London and
had cars to take me where I needed to go.
TDI's actual press conference was even more impressive. The room was
FULL of reporters and TDI had written their own demos comparing
different systems.
The marketing efforts paid off. TDI and Sage got a cover on the largest
computer magazine in the UK, as well as lots of other coverage.

23 PC World Cover
And that press coverage paid off in turn. TDI's sales blossomed and the
customer demographic was dead-on with their objective. THIS was what
marketing was SUPPOSED to look like! I may not be great doing it
myself, but I definitely know it when I see it. Our other international
distributors even rode TDI's coattails into their local markets. And I
took some of the ideas back home.

24 Sage IV
Sage IV Design
The next major objective was the Sage IV, which was really the same
computer with another board stacked on top and taller sheet metal.
This second board contained another half a megabyte of RAM for a total
of a full megabyte. It also had four more serial ports, and most
importantly, a hard disk controller. One of the floppies was then
swapped out for a 12 megabyte hard disk.
This second board had been under design from the very beginning as hard
disks were becoming standard for REAL computers. But the technology was
new. There were only a few people around who were really good with
re-clocking circuits. One of them was Don Lehr. Now, you might think
I'd have a problem dealing with Don after our last encounter, but it's
not the case. I have an infinite ego, and none at all. I don't hold
grudges.
I called Don and explained my situation. I think he agreed to help so
he could pick MY brain about what we already had running. I at least
got what I wanted. Between Don, Wilbur and I, we had our controller.
The Sage IV was ready for production by COMDEX in November.
Marketing Help
I now had good managers in manufacturing and finance. I also hired Mike
Deignan as our VP of International Marketing. With the help of Keeli
Patterson and Becky Jessee, we now had a strong team on the
international side.
Next, I needed to delegate either R & D or domestic marketing. I
would search for both and shift my duties as needed.
For me, marketing was the challenge. I knew technology, but marketing
was more fluffy. I had less experience. Again, I turned to the local
head hunter.
He introduced Steve Gant who had a reasonable resume and standard ideas
about marketing. He also had a bias to action. He was a bit weak on
computers but so were most people at the time. Our first Comdex in Las
Vegas was coming up. I decided to hire him and see how it went. That
was the single biggest mistake I made with Sage Computer, but not for
obvious reasons.

25 Las Vegas Comdex - Nov 1982
The show went well and he had a reasonable presentation with lots of
energy. Maybe too much. I didn't discover the problem until the Monday
AFTER Comdex.
Steve came into my office to present his new marketing plan. He
explained that he had divided the country into exclusive areas and
assigned each region to new distributors he had met at Comdex. They
were to get a cut of the sales from each of our current dealers as well
as new ones they would recruit.
The problem was, all of this was history! He'd already done it! From
COMDEX, he had gotten on the phone with Reno and sent all these new
"distributors" computers on open account! The systems shipped before I
ever found out about this grand plan.
OK, OK. He DID take initiative. And it WAS bold. But this was WAY out
of control. Why didn't he discuss it with me as it was happening? My
guess is, he hoped to make it a fait accompli before I realized what
was going on. The plan was SO naive', it was almost funny.
I might have been more forgiving if the distributors had significant
history, resources or maybe some established customers. But no. These
"distributors" were just guys that wanted to get into the computer
business. They brought virtually nothing to the party.
This was arbitrary distribution at best and a useless fee at worst. It
certainly didn't belong in my marketing plan. I fired him on the spot
and immediately sent letters to all these new "distributors" explaining
he had acted beyond his authority. Most were understanding and returned
the equipment.
But one didn't. And this ended up becoming a BIG problem. His name was
Dave Winstanley from Texas. He said a deal was a deal, and he
immediately flew into Reno to convince me.
Winstanley actually seemed like a nice guy, well maybe a bit too
smooth. But it didn't matter. He wouldn't yield his position. Nor would
I. This was my second worst mistake. With his energy, I should have
figured out some way to make him part of the solution, instead of
rejecting him outright. But I didn't.
When Dave wouldn't return our product or pay for it, we sued to
collect. This led to counter-claims and worse. Much worse as time would
tell.

26 Mike Cowpland
Mike Cowpland
Rick Kriss was always working the finance community and we had various
offers to invest but declined most of them early on, hoping for better
valuations. One reason for holding out was a comparison I ran across.
Fortune Computer was also building a 68000-based system about this time
but rumors were, the product was flaky. Still, they floated the 7th
largest IPO in history raising $110 million at a half a billion dollar
evaluation. Now THAT'S promotion!
The reason I remember is, the article said they had installed 150
systems at that point but were having trouble keeping them working. On
that same afternoon we had shipped over 1500 systems and virtually all
of them to satisfied customers.
Not only had we sold an order of magnitude more product, we had a far
better reliability rate. A study of 40,000 personal computer users was
done in early 1984 and Sage got 3.8 out of 4 stars for overall
satisfaction. I was looking for a better evaluation from our investors.
Our best alternative was when Piper Jaffery offered to take us public
at a 40 million dollar evaluation. We declined. In retrospect, we
should have taken the offer, but that's how it is with adventure. You
make the best decisions you can with the information you have at hand.
We had other offers too. One was quite attractive.
Mike Cowpland of Canada had recently sold Mitel for $300 million. As
founder, I don't know how much of that was his, but he was definitely
well-funded.
Lately he had started a personal computer company named Hyperion.
They had a dated product but with nice packaging. Mike was a very
realistic guy and wanted to be a player in this market. He'd heard good
things about Sage and invited Rick and I to Ottawa to talk it over.
We arrived in Ottawa late one night in howling winds
and rain. A driver met us coming off the plane and apologized for not
having a helicopter because of the weather. Instead, we had to take
Mike's personal limousine. Rick and I laughed about this until we
realized he was serious.
We went out to Mike's place on the bank of the Saint Lawrence river.
This house was located in a national park of some type and had a name
that ended in the word "cottage", but it was expansive. We spent the
night.
The next morning we had breakfast in his glass atrium, which was larger
than my entire house back in Reno. Mike was very pleasant, but focused.
He had great questions and a good understanding of technology.
After breakfast, I stepped outside for the view and heard the sound of
a helicopter in the distance. The sound got louder and louder until TWO
helicopters came up the river and landed near me. It was the river
scene right out of Apocalypse Now - a very surreal experience when
you're not expecting it.
These helicopters were part of a service Mike ran in northern Canada.
But they were also used for impressing guests. We all rode them
down to Ottawa for a tour of Hyperion. Then he got down to business.
Mike offered a reasonable price to buy controlling interest in Sage. It
was an attractive offer and I liked Mike's style and business culture.
In parting, he flew us to Toronto in his LearJet so we could make
better connections back to Reno. That was a nice touch. As Rick put it
later while waiting for our flight, we were the farm girl taken to the
state fair. I had to agree.
The trappings were impressive, but there was the reality of what it all
meant to our other investors, employees and customers. And what it
meant to me. It's not easy giving up control. I was having fun.
In hindsight, I should have taken this offer too, but I declined.
Instead, I agreed to Mike buying a minority position and having him
join our board. Over the next couple of years, he became my most
helpful outside director. He understood the business and we got along
well.
Later Mike went on to found Corel with its well-known product, Corel
Draw. I went back to building my team.

27 Million Dollar Picnic
June 1983 -
Million Dollar Month
In June of 1983, only one year after beginning production, we had our
first month with revenue of over a million dollars.
Not only were sales good, we'd been making substantial profits and cash
flow was also good. I finally bought a new Porsche 928, and other
company cars were purchased for Wilbur, Al, Dave and I'm not sure who
else. Bob Needham got a new CAD station to support the development of
the new Sage VI.

28 CAD System
Looking back, this was a broad turning point. Sales stopped doubling
every ninety days and became more volatile. We had more million dollar
months, but not many. The excitement of the rush was over. Now it was
time to settle down and do a good job for each customer. I began
visiting some of the VARs and reviewing the design-ins looking for
advantages we could exploit.
The question at the board meetings became, how do we get to the next
level? And virtually ALL of my advisers said we HAD to get to the next
level of growth. There was this perception in the industry that you had
to either grow or die. It seemed like a fashion, but any marketing
person knows, perception is reality. If growth wasn't dynamic, you were
irrelevant. I wasn't so sure.
For me size and even growth weren't as important as building exciting
products and having them used in such creative ways. Of course I also
liked to make a profit, but I was being advised even to take losses in
favor of growth. It was scary stuff for a farm girl.
It's important to note that we had been quite profitable. We hadn't yet
been able to out-spend the profits and investments. But that would
change in a year or two.
It was about this time that our most feared competition was introduced.
There had been rumors of Apple introducing a 68000-based system. I was
in London with Roger that afternoon. As the details started coming in,
I knew we had nothing to worry about. They had not taken the "Woz"
approach with this new design. This one definitely had a "Jobs" flavor.
The Lisa was all sizzle and little steak. It was also a fairly closed
system and supported no existing software. It DID promote the use of
menus and a mouse which I believe were fundamental advancements, but
the rest of the GUI stuff was more than the hardware would support.
Using the Lisa was a VERY slow experience.
Once I got back to Reno I learned why. First, they split the memory bus
between processor and video. This cut its potential performance from 8
Mhz to an effective 4 Mhz, IF everything else worked well. Which it
didn't.
I don't remember all the details now, but we determined this shared bus
also required other trade-offs lowering the yield to less than 1 Mhz
for an 8 Mhz part. On top of this they added a new resource-hungry OS.
Lisa was a failure as a product but a success as an idea, as the
Macintosh would later prove. In any case, neither one had significant
impact on our ultra-geek open-product market. Our window of opportunity
was still open.

29 Boston Office
Branch Offices
After the fiasco with Gant, I was a bit gun-shy to hire anyone else
right away. So I jumped back into marketing. We already had a presence
and even a growing dealer base. What I needed to do was to do a good
job supporting them. And I needed to do it in different time zones.
We already had strong dealers and user base in the Boston area so that
was to be our first branch sales and support office. Bob Needham and I
flew out, and directly into their biggest snow storm in years. Once it
melted we met with Mahan Singh Khalsa and toured MicroStrategies, one
of our best dealers in the US.
My objective was to do as good a job for them as they were doing for
us. To accomplish this, I transferred Dave Cline out to run the Boston
office. At first things seemed to go quite well. I let Dave run with it
and focused on our next office in Dallas.

29 Rod in Boston
Once I hired and trained for Dallas I again backed off to see what
would happen. It was tough to measure the effect of these offices, but
the rhetoric was positive. As Sales Manager, I tried to visit at least
every couple of months and take customer tours.

30 Twin Forks Marketing Retreat
Back :Karen, ????, ????, Bill
Front : Ken, Buddy, Rod
Marketing - Take Two
Then I went back to Reno to hire another marketing guy, Ken Kinkel. He
had a background in retail video and a candid nature I really
appreciated. We TALKED about all of his plans FIRST. The only problem
was he wasn't that "into" computers in general. And he didn't connect
with our product or customers in specific.
About this time Buddy Frank, the news anchor from the local CBS station
came by to interview me for a news show. We started talking after the
"take" was done and connected right away. He WAS into the Sage Computer
and technology in general. Or at least he faked it well. This was the
kind of marketing talent I needed. He didn't have any industry
experience but he liked our customers. I hired him as a PR Manager.
Buddy was great at digging out hot applications and started publishing
a newsletter for us. Soon he was running circles around Ken. Being well
connected locally, Buddy set up a marketing retreat at Bill Harrah's
old ranch on the Twin Forks of the Snake river in Idaho.
As part of the program he invited Bill Delaney from Burson-Marsteller.
Or maybe that was Ken. I'm not sure. In any case, Bill was the PR guy
who had brought Dick Cavett to Apple as spokesperson.
Without being a geek, Bill knew what the products were all about and
how they were perceived. Here was another guy who understood computer
marketing, if not their distribution and sales. I was very impressed
with this week in the mountains, but it also made the contrast with Ken
even more glaring.
I hired Bill Delaney to work for Ken and between Buddy and Bill, they
began producing some impressive collateral materials. Bill knew how to
produce first class stuff. The only problem was, the result was TOO
slick. I was still looking for that Heathkit catalog, and they were
doing Porsche brochures. Oh well. At least it was a major improvement.
I'd give it a try.
About this time, I hired Dennis Mandell as VP of Sales. You probably
won't recognize the name, but he was one of the original Mouseketeers
at Disney. He also wasn't "into" the product. Oh well. It was a common
problem in the early eighties.
Not long after I hired Bill, Ken came by the house one night and asked
to go for a walk. I do my best work walking. In a few minutes he stated
that he might not be the right fit for the job. I liked the guy and we
got along well, but I think he was trying to get me to challenge this
observation. Instead I agreed and accepted his "resignation". If HE
didn't believe he could do it, who was I to argue?

31 Bill_Delaney
Marketing - Take Three
In October of 1983, Bill Delaney became our VP of Marketing and things
improved. Buddy Frank was also doing an excellent job getting the word
out.
InfoWorld gave us an excellent rating in every category except for
documentation which was only a "Good".
Popular Computing said, " - a 16-bit computer that defines high
performance". The "16-bit" referred to the data bus and fetch at the
time. Most computers were still "8-bit".
Personal Computer, Britain's largest micro magazine, gave us a cover
with, "Mainframe speed in a micro package?", and concluded with, "The
Sage II has really impressed me".
Byte Magazine said, "The Sage IV may well be the best 68000-chip
computer on the market". Jerry Pournelle said, "I love it".

32 Pournelle
But market awareness doesn't come cheap. In late 1983 we spent over
$250,000 on COMDEX and associated marketing programs. I remember I was
concerned about the cost, even though it did include the cost for a new
booth which would be used for other shows as well. Still, it's a good
example of how we pushed on the marketing front.
With marketing and PR in better shape, I continued to look for a better
sales manager. Denny Mandell didn't last long, though I forget why he
left. There were a couple of other sales managers after that but no one
that lasted long. I did the job myself when needed.
During this time Al was often scrambling to ship every order as quickly
as possible. In the process he would sometimes steal computers off of
desks and leave the hard drive to be installed on a new system in a
couple of days. Bob got tired of having his computer "stolen" so he
bolted one to his desk.

33 Bobs Deskside Computer

34 Low Profile Sage II

35 Icelandic?
Pinnacle Systems
It was during this period that we got a surprise. At the time cloning
had become a popular business plan, as was demonstrated by the growth
of IBM-PC clones.
This is where that fired Texas distributor came back into the picture.
David Winstanley took his cue from this fashion. We didn't know
it until we saw the first ad, but he had founded a computer company
called Pinnacle Systems and used our own documentation against us to
clone our product.
To be honest, he did a fairly good job and charged a competitive price.
It ran EXACTLY the same software and had very similar package. But by
then, what he cloned was two-year old technology.

36 Sage_ROMs
Even so, for the next year he made inroads into our customer base. I
would do site visits and see Pinnacle boxes. One customer had even
copied "his" ROMs for us. Dave's tech people hadn't even bothered to
remove our copyright notices. Even though we allowed customers to use
our source code to interface our products, this was a clear violation
of copyrights and became a strong counterpoint to our existing lawsuit.
In the meantime Pinnacle continued to sell systems to our customers.
This was one more reason to get busy and release the Sage VI.
Paul Lima Returns To
Make Major Strides
Our technical objective was the revision of our design. We wanted to
move to the VME bus as well as use the new faster 68000 processor. As
it turns out I got some help.

37 Paul Lima Returns
Remember that hardware engineer I lost to Don Lehr at the beginning of
this story? Out of the blue Paul Lima asked me to lunch one day.
He said he was thinking about leaving IMS (Cubix), Don Lehr's company.
By the time we were done eating I'd hired him to head up our R & D
department. He was a known quantity, loyalty notwithstanding. Besides,
I like the idea of hiring him away from Don Lehr.
Wilbur wasn't too crazy about having a new boss, so I made him an
independent "Sage Fellow" which was also a title given to Bill Bonham.
The object was to have these two push beyond normal development and
find truly new stuff. That's where the "NOD" came from. And Bill wrote
a kernel in Modula-2 which was the start of a 32-bit operating system.
Unfortunately, it was never deployed. But back to Paul.
Wilbur and I had been working on the the Sage VI for well over a year.
Prototypes of that design were the product we did a sneak preview of at
Sage Faire '84.
Paul not only more effectively organized R & D, he turned the
design one more time helping us refine it significantly as well as
improving its manufacturability and reliability.
Hard disks and their controllers were still a technical challenge. The
whole industry had struggled to keep failure rates below 10%. Paul
helped us in this area too. The redesign was going well, but by the
time it was done, it was no longer called a Sage.

38 Sage VI Sneak Peak

39 Rare Sage VI Photo
A Nod to Jobs and
Gates
Growth and positioning were marketing questions I kept an open mind
about, but technical objectives were more clear.
We had substantial demand for a multi-user version of the BIOS and Bill
was getting closer to its completion.
Not only did this new BIOS support more than one user, it could run
DIFFERENT operating systems for each of those users at the same time.
This was significant flexibility for system software on any computer at
the time. Again, we were pushing the limits. This opened up new
applications.
I still hoped to promote the development of a true native code 32-bit
operating system, but this helped for now. It also amplified the
contrast between us and the IBM-PC, not to mention the single user Lisa
and MacIntosh. OK, it DID move us away from the "personal" computer I
had envisioned, but it was defendable technology in the marketplace.
I should also note I was still NOT in favor of doing a true memory
management UNIX box. This was because of UNIX's demand for resources.
Plus it required wait states to support the MMU, and I didn't want the
other operating systems to suffer the penalty.
As for alternative operating systems, we were successful. We got just
about every non-UNIX OS ported to the Sage within a couple of years - a
total of 16. They were just not the one I wanted.
Every meeting I had with anyone who could influence system software
became a push for my software objective. I pitched this over and over.
I remember Bill Delaney had set up a lunch meeting for me with Bill
Gates at the Release 1 conference in Phoenix. Again, I pushed my OS
agenda but got nowhere. Gates seemed more focused on drilling for
business data about our products and users, than talking about
operating systems.
OK, I wasn't that impressed with Bill Gates. He seemed to be more
interested in the business side than the technology. Philip Kahn in
contrast had far more passion for technology, or even Steve Jobs for
that matter, who I also talked with at this same conference.
As I noted earlier, Steve was interested in packaging and presentation,
but he also understood and appreciated technology. I was trying to sell
him our NOD product. It had some "sizzle".

40 Nod
The NOD was something Wilbur and I came up with one afternoon, and we
were well along in the patent process. It was a head-motion operated
mouse controller. You put a special reflective pencil behind your ear
and a quadrature detector would track its movement. The point was
keeping your hands on the keyboard while you moved the "mouse" cursor.
We did end up getting a prototype into Apple but the project they
wanted it for never got green-lighted. Too bad. It was a fun toy.
Sheri Gurney Becomes
Coleman
By 1983 my work schedule had backed off a bit. I would take ALL of
Sunday evening off. Often I would go roller skating after watching 60
Minutes. It was a nice few hours to define the line between weeks.
Going around in circles gave me time to think without interruption.
One Sunday at the skating rink I met a co-ed from the university named
Sheri Gurney. We ended up talking all evening. I discovered she liked
computers and had done some programming. This was rare for a female in
those days. I asked her out, but she had a boyfriend. Still, we talked
on the phone for a few weeks before I gave up.
A few months later I happened by her house. She was sitting out front
with some guy, so I stopped to talk. I learned she had quit her job. I
needed someone to write demo software at the time so invited her to
interview. She agreed.
That night I sat her in front of a Sage computer before I went into a
management meeting. When I came out, she had the p-System figured out.
If she wouldn't go out with me, I might was well hire another good
employee. She came to work for us in marketing, reporting to Bill
Delaney.
I found out a few weeks later she had broken up with her boyfriend, but
by then she was going out with our Unit Test Manager, Tom Hoops. I
think she did it to keep me at a distance. And it did. For a while. We
still went for walks and had lunch now and then. Over the first few
months, she sorted out our products and pricing schedules. She then
became Sage's Product Manager and was very effective.
Six months later I discovered (from someone else) she had broken up
with Tom. I asked Bill to scheduled her for Comdex duty the next week.
He humored me.
I picked Sheri up at the airport in Las Vegas when she flew in from
Reno. It was late, so of course I drove her out to Hoover Dam. We
didn't get to bed until three in the morning. We talked and flirted the
rest of the week, as we tended the booth and worked the parties. A few
days after returning to Reno we were engaged.
In April of 1984 we were married and honeymooned for ten days in Bora
Bora. It was the longest vacation I'd had in years. Life was very good
at the time.
TDI Picks Up Pinnacle
It was a good thing I was well rested. When I got back to Reno, I got a
call from Roger Howarth. Chris Smith requested that I come out to
Bristol for some mysterious meeting. I'd been there a couple of times
before, but never under a summons. Still, the customer's always right.
No ego here. I flew to England.
When I got there, the mood wasn't good. Chris Smith was definitely
reserved. Business had been off as Pinnacle had stolen some dealers and
was now about to sign a major competing distributor with even more
resources.
TDI was concerned. Their cash flow was stressed. They wanted my
blessing to try and get Pinnacle to sign with them instead of the new
distributor. It would be a tricky business to convince Winstanley, but
they felt they could handle both products at the same time.
This put us in a bad position. Here was our largest customer moving to
the competition. We weren't exclusive by contract. TDI had sold other
competing products before us and since.
I didn't really have much of a choice. All I could do was out-perform
Pinnacle and try to stay ahead of them technically. Fortunately, our
new product was well under way, but that didn't seem to matter much to
Chris. The tension was thick enough to cut with a knife. I could tell
Roger wasn't happy with the situation either. His loyalty was being
pulled both ways. These were not happy times and very different from
only a few weeks before.
I still had hopes of making Pinnacle irrelevant in a few months. Would
it be enough? That next week, TDI became Pinnacle's distributor and
even converted some of our customers as we had seen happen in other
markets. We parted as friends, but it was the last time I ever visited
Bristol.
Back at home Pinnacle was causing other problems too. Our sales were
off and we took some losses. I remember Al walking into my office one
day and said we should consider layoffs. I responded, "We'll sell the
furniture first". I was THAT naive'. But not for long. We had our first
layoffs that summer. But not our last.

41 Stride Family

42 Stride 400
Sage Becomes
Stride
One day Rick brought me a letter from Sage Software in Maryland which
demanded we cease using the name Sage in the computer segment. Our
attorneys did some research and they also advised a name change. It
would be cheaper than a court fight. Looking back I wonder.
Bob's sister Cheri had proposed the original name for its wise
associations. We'd begun using it before we discovered the conflict.
I came up with Stride Micro from a song at the time. It showed
aggressive motion and more importantly, hadn't been trademarked.

43 Stride Management
The brand conversion went reasonably well, but a product name is one of
the most difficult things in the world to change. Once thousands of
people know you under a mark, it takes a long time to change their
perception. I, myself am guilty. I still think of our computer as Sage,
but maybe only because the Sage years were the most fun.
On the positive side, the change wasn't just in the name. The new
product was a major improvement in almost every respect. This is a good
place to point out, "New and Improved" often isn't.
A classic example is Windows. I think it's been going backwards for a
long time. Vista is just the latest downgrade. I wanted Stride to be a
true UPgrade. We had even delayed it a bit waiting for faster parts to
become available.
The new Stride 400 Series was 50% percent faster than the Sage which
was significant in itself, but the starting price also dropped to $2900
and ranged up to $12,000. The Stride also had the new VME bus, RAM
expansion to three megabytes, ports for up to 22 users, internal tape
drive option and drive capacity of up to almost a half a gigabyte -
which was very impressive at the time.
The Stride was indeed new and improved over the Sage.

44 Stride Product Shipping
Stride Introduction
By September of 1984 the Stride was ready. We had put a lot of
resources into its development. Now we needed to get buy-in from our
dealers and distributors, as well as communicate all the changes to the
press and our end users. At the time we had over 140 domestic dealers
and over 40 distributors in 33 different countries.
Buddy did an excellent job with the dealer briefings and press
introduction. Sheri and I were in 13 airports and traveled over 40,000
miles in only 10 days.
Our first briefing was in Reno for west coast dealers. Next we went to
Chicago and Dallas for similar presentations. From there we did a trade
show in Washington followed by a press conference in New York and
dealer briefing in Boston.
Next was London. We did the press briefing this time. At least several
people from TDI showed up, and I think were pleasantly surprised. I
know Roger was impressed. We talked about the new products but the
relationship was still stressed. I didn't have time to figure out why.
We had to get back to Heathrow.
We just happened to fly into Munich on the opening day of Oktoberfest.
After the introduction our distributor had reserved us places in one of
the Oktoberfest tents which are amazing structures in themselves. As
you can imagine, it was a huge crowd with dancing and beer. It was also
lots of fun.
Well, at least for me. Sheri was a couple of months pregnant with my
oldest son Joshua, and not really in the mood for fat sausage and
cheese. And of course not drinking beer at Oktoberfest is definitely
missing the point. We walked back to the hotel and found Sheri some
candy along the way. That's all she wanted to eat. She'd been having
trouble with food lately.
Next was Zürich where I'd scheduled a meeting with Niklaus Wirth who,
as I've said, was the author of Pascal and Modula-2. He was a major
proponent of structured programming. I had used and admired his work
for years.
Earlier, I discovered Richard Orhan was doing Lilith development in
Utah using Sage computers. When I'd heard Niklaus had been impressed
with the Sage's performance, I thought it might be the entre' I needed
to get him to be our keynote speaker for the next Sage Faire. Thousands
of our customers had also been students of his work. I knew he would be
a popular choice.
By the time we were settled at our hotel in Zürich's, Sheri was not
doing well. We searched the city trying to find food that we could
identify (because of the language) and that wouldn't upset her stomach.
It was not easy. We ended up with pizza.
My meeting with Niklaus went well and he changed some travel plans to
be at our show in February. He was a very reasonable guy and surprised
me with his knowledge of hardware. Makes sense I guess.
After a relaxing night in Zürich's (our first one that week - no
presentations), we took the train back to Germany. We still had a
couple more stops to make. After that, Sheri was glad to get back to
Reno. But no rest for the wicked. I went on to Sydney alone.
It was the longest flight I've ever made. We encountered record
headwinds. Within only an hour of landfall, we had to turn back to Fuji
for fuel. And of course without scheduled customs, they wouldn't allow
us to leave the plane. With connections and delays, my whole flight
from Reno to Sydney took over 31 hours.
Fortunately, this press introduction went well. It was good to not be
playing to the hostile environment I'd encountered in London. My ten
days were done. I got home without a problem. Now I needed a break from
my travels.
Issues
The introduction had gone well and the feedback was good. Well, except
from TDI. To be honest, I still expected to win them back with our new
technology. But I was wrong. In the weeks that followed TDI began to
complain about the now "old" Sage product.
We began to get formal feedback of various failures of specific systems
instead of simply swapping out bad components as they had done before.
They were definitely documenting the file. This new behavior was
strange because we had made steady progress in reliability over the
last couple of years, and the new product was even better. Our problems
were nothing compared to the early years.
There was something else going on, but just what, wasn't clear. This
was like any relationship gone bad - we had issues. Things were
definitely out of balance and nothing seemed to change it.
Out of the blue, Chris Smith demanded we pay him for all the resources
he had put into the Sage trademark. He also refused to introduce the
new Stride 400 Series to his dealers without some form of compensation.
It felt like extortion. I refused.

45 Keeli Patterson
As a defense, and to see that our product was well represented, we had
Keeli move to London and open our own sales and support office. We also
began to sell to other dealers and VARs in England. Even with all the
changes, TDI was STILL our largest customer. And STILL my biggest
problem.
At home the transition was going well. Stride sales picked up quickly
but Sage sales fell even faster. Users held off orders while
converting to the new Stride product. Considering all the
technical and marketing expenses, we had some difficult months with our
cash flow. But prospects were good. We were also seeing less of the
Pinnacle system now that their product was comparatively obsolete.

46 Management Meeting
During these months, our management and even board meetings were filled
with two debates which had been brewing for a long time in various
forms.
The first was whether to add memory management to our product so we
could run UNIX. This was our only negative feedback on the new product.
I had withheld it from the Stride design because it would cost two wait
states, or about a 33% penalty for memory access. We were known as THE
performance machine and I didn't want that to change. It was too high a
price to pay for all the OTHER software already running on our system.

47 UNIX on Stride
As a compromise, I got with Wilbur and Paul on the problem. They
devised a daughter card that would be an option for those that wanted
to run UNIX but not a penalty for those who didn't. It was released a
few months later. The other topic of dispute was more fundamental,
significant and had been also going on for years. It was about
strategic direction and how to deploy resources.
We had already experienced layoffs and losses. I was in favor of
contracting the company to keep it profitable even if it meant only
serving a niche of the market. Paul and Al strongly agreed. Everyone
else including Roger and Rick disagreed. They still felt we had to grow
or die. This meant finding new investors, then spending the money to
buy market share. I went with the majority, but with reluctance. And
moderation. It was a mistake.

48 Stride Faire 85 at the MGM
Stride Faire '85
The Stride 400 Series had gained an excellent reception since its
introduction. It was much improved over the Sage design. And that fact
was recognized by virtually everyone who evaluated it. The Stride 400
even won "Product of the Year" from Electronic Products Magazine for
1984.
With our recent press coverage and awards, we got a record turn out for
Stride Faire. I got to introduce Niklaus Wirth to an audience of well
over a thousand. He talked about compilers and got a standing ovation.
Talk about appreciation of the esoteric. Our customer base was NOT a
cross section of America. Try that topic at any comedy club and you'll
understand the contrast.

49 Rod and Niklaus Wirth
That night Niklaus and his wife joined Sheri and I for a show at the
MGM where this event was presented. We had a great time. This was the
high point of my Sage / Stride experience. I had built my dream
machine. It had been recognized and awarded. Even the father of Pascal
appreciated it.
The next day everything changed.
I think I mentioned we had ups and downs. The first thing the next
morning, Mike Deignan resigned with no explanation. Then a customer
brought us an invitation he received from Pinnacle who was hosting a
party at the MGM, the site of our event! Finally, we heard MIKE was to
do the presentation at Pinnacle's party! It was clear. Mike had gone to
work for Dave Winstanley.

50 Mike Deignan
We were in court literally within hours with a copy of Mike's
employment contract and its provisions against working for a
competitor. We got a temporary restraining order against Mike having
ANY contact with our customers. And Pinnacle was prohibited from
contacting anyone based on information from Mike. This also gave us
another strong point for our suit back in Texas.
A week later we got a permanent injunction against Mike's new
employment. Dave terminated him hours later. Now he was the odd man
out. Last we heard, Mike moved to Malaysia to work in the rubber
industry.
But none of this stopped Winstanley. He went back to Texas and planned
his next move. This Pinnacle thing was like some kind of bad movie.
This guy was obviously obsessed with Sage, or even more personally - me.
This was not about fairly competing or even cloning. This was not
business. This was personal for Dave Winstanley. I needed to diffuse
his campaign if I could. But first I had another challenge.
Other Exits
The Boston branch was definitely having problems. I decided to bring
Dave Cline back to Reno and give him another territory. This way he
could work directly for me and I could figure out what was wrong.
The problem turned out to be a bit of burn-out compounded with
nepotism. Dave decided as my cousin and long time friend, he was immune
from any accountability. He was wrong. His inaction was bad for
everyone's morale. And I didn't like our relationship being abused.
Most of the time Dave and I had gotten along well, but there was a
period during high school where we had gotten at odds. I can't even
remember why. I don't even think there WAS a why. Each of us was just
more stubborn than the other. We didn't talk for months. Unfortunately,
that was not an option at this point. This rift was affecting others.
After many warnings and heartfelt talks, his sales continued to fall.
He didn't spend much time at work. It seemed that Dave had just given
up. Or gotten stubborn like before. When everyone else's sales were
increasing with the new product, his fell to absurd levels. So I
fired him. It was the toughest termination I've ever done. But Dave was
so blatant, I couldn't think of any other answer. We needed to part
ways for a while. Lack of loyalty can cut both directions.
Not much later Bill Delaney went back to the bay area. I promoted Buddy
Frank to VP of Marketing. He'd been one of my best people all along and
continued to do well.
Paul Lima wasn't happy either. I don't think he liked our approach of
"market share at any cost". Or maybe he just felt it was a good time to
leave after such a strong design success. Perhaps it was a bit of both.
In any case, Paul went back to work for Don Lehr. I suspect salary
might also have been a factor. Such bidding was common then.
Not long after that Ben Goodwin, the president of Softech, admitted in
a speech that they had "lost the OS wars". This obviously didn't help
our dealer base at all. We turned up the heat on the UNIX daughter card.
Don Lehr or Roger
Elton
Interestingly, it wasn't long before Don Lehr called wanting to buy the
the company. I guess he'd been talking to Paul about our problems. His
offer was actually pretty reasonable, but our cultures would never have
merged. We would have been assimilated (oops, wrong movie).
That's when Roger Elton presented an alternative. Roger offered to
invest $500,000 at a lower value but we would be able to remain
independent. But Roger also wanted one other thing. He wanted my shares
in a trust so he would vote them if needed.
By this time I had dropped below 50% ownership so it would also take
Bill or Bob to vote with Roger before any issue would carry. I felt
secure. It was certainly better than ending up in a block of carbonite
on Don Lehr's desk (There! Back on metaphor). I accepted Roger's offer.
Cash flow problems were solved.
There was one other interesting detail in all of this. Only weeks
before, Roger had recommended that we buy director's insurance. The
policy was only $2000 and it might help us out at some point. Rick and
I agreed. It was a detail. The policy was purchased. I still wonder if
Roger had his investment in mind when he recommended this policy.
You'll see why.

51 Jon Bengtson
Jon Bengtson
As I've said, the personal computer industry had it fashions. Jobs
hired Sculley to handle operations so he could focus on products and
marketing. In an industry with no traditions of it's own, fashion seems
to drive lots of advice. It was not uncommon for founder to be pushed
upstairs.
Not long after Roger's investment, he used the same logic to
recommended I hire a CEO so I could focus on technology and customers.
Roger introduced me to Jon Bengtson who he had worked with before at
International Game Technology.
I was very impressed with Jon's business sense and ability with people.
Once he was hired, we became good friends and remain so today.
Over the next several months Jon analyzed our operation and finances.
He helped us trim expense and DID allow me to focus on customers. I
also began working on our 68020-based product.
But after about six months Jon came to me and admitted he just didn't
think he was the right fit. He said he never did come to understand our
product. I think he might have had a better offer as well. In any case,
he resigned. I agreed. If your heart's not in it, there's no point.
Dave Cline had taught me that.
One reason people had trouble understanding our customers was that they
had little in common with each other except the need for the very best
performance in computer equipment.
For instance, I remember being on the phone with someone from
Industrial Light and Magic. They were pushing the limits of computer
animation at the time. Once again the Stride had lots of memory and
speed.
That same week, I talked with someone from Siemens in Germany who was
doing a voice interface system to paint Fords in England.
These two customers couldn't have been more different. One was a new
startup in the arts, the other a well established in control systems.
Siemens couldn't have related to Industrial Light and Magic or their
application, but they both shared a common need for speed and space
when it came to computers.
By providing those resources in an open system at a reasonable price,
Stride had a niche. We just needed to do a good job with it.
Queens Court
Next, Roger introduced me to another guy - Ed Chapin. This guy was a
totally different kind of duck. I didn't relate at all. He was all
about business, politics and positioning. But Roger seemed to like him
and I was busy with customers and design. We hired him as CEO. This was
my third worst mistake at Sage / Stride, but I didn't realize it for a
while. I was back focusing on Winstanley.
After many delays, we were finally down to depositions in the Texas
lawsuit when the other attorneys surprised me with talk of settlement.
It was presented that Pinnacle had cause of action because Steve Gant
had been an officer of the corporation and qualified to contract -
verbal or not.
On the other side, we had a clear violation of copyrights and the
injunction. But I was tired of courtrooms. I wanted to compete with
products instead of lawyers. We settled and I hoped that was the end of
it. But no luck. We didn't know it at the time, but Winstanley simply
changed venues. He was about to open another legal front. I was just
getting started with lawyers.
It wasn't long before we were served with a suit from TDI about product
reliability. What was this about? Had Chris Smith gotten tired of
selling computers. Was his way out of TDI? He MUST of known we would
defend the case.
This case also wasn't like the one in Texas. It moved fast.
Because we were from another country, it was to be tried in the
Queen's Court in London - a very high profile affair. Since I knew all
the players and the products, I was the obvious person to work the
suit. Preparing became a full-time job.
Keeli found me an apartment on Baker Street across from Regents Park. I
spent the next several months commuting to London. I stayed for weeks
at a time. I'd cut my stays in Reno short because of the jet lag. I'd
gotten used to London time. But I just wanted it all done with one way
or the other. It was like playing chicken with legal fees.
At one point Sheri came over with Joshua. I took the tube out to
Heathrow, but her plane was late. I waited. On our way back we
discovered the Underground stops running at midnight - literally. We
were a couple of miles short of the apartment and there were no cabs
around, so we walked the rest of the way pushing Josh in the stroller.
I didn't mind. It was nice to have them with me.
Again, this legal work was no fun. The trial went on for weeks. But the
worst part was, there was no way to win. If we lost, we lost costs and
damages. If we won, we lost our best customer. It was crazy and I
couldn't understand why Chris Smith was pursuing this action. It was
pointless. Or so it seemed.
After more than four months in London and six weeks of trial, Roger
Howarth came to me and said Chris Smith wanted to talk. It was late at
night. He said we didn't need to bother with council. Chris had come to
conceded. He disclosed TDI had filed for receivership. The battle was
over. We'd put our biggest customer out of business.
Only then did I find our what was really going on. Apparently, Dave
Winstanley had not only sold them computers starting the summer before,
he had also made an investment in TDI. With TDI's fortune's failing he
was later able to invest more at a lower rate gaining controlling
interest, and more importantly, control of policy. TDI had become a
weapon to be used against US - but now a spent one.
When I was young I lived with my grandmother in Tucson, Arizona. They
have a wasp there called a tarantula hawk. It paralyzes a tarantula
with it's sting but doesn't kill it. It then lays eggs in the
tarantula's body which develops and feeds as the tarantula lives. Chris
Smith had been such a host. Only in this case, no life was produced.
What had been the point?
You might think I would be bitter with TDI or at least Roger, but I
wasn't. Roger's loyalty was with Chris Smith, exactly where it should
have been. Chris may have been the one to have suffered most in this
whole affair.
TDI had set out to sell technology and had succeeded. Chris Smith and
especially Roger Howarth and Chris Lee HAD done a good job until
Pennacle came along. What was so crazy was all this time and money
wasted by David Winstanley pulling strings when we all could have been
inventing technology. By the time it was all cleaned up we had spent
over $400,000 in expenses and legal fees. I'm not sure how much it cost
David, but THAT was what victory looked like. I've never heard
from Winstanley again.

52 Exporter of the Year
Presented by Governor (Later Senator) Richard Bryan
My Reward for Victory
This victory had another face - a surprise. As I've said, it was a
crazy time in the computer industry. Steve Jobs had put an amazing
amount of energy into growing Apple Computer and had won most of his
battles. But he was fired. It seemed strange to me at the time. Just
another fashion.
During one of my trips home, I discovered Ed Chapin had distributed a
survey to each of our employees asking them to grade the management
team individually. Later I learned I didn't score well with Bob and
some others. The result was then forwarded to the board. At the time I
thought this was a waste of energy but of no great importance. That's
how it is with infinite ego.
A couple of nights after I returned from London, Sheri and I were
invited to a special board meeting and summarily fired without
explanation.
How could this happen? And why? Like the Winstanley affair, this didn't
make sense. Was it just another industry fashion?
"How" was pretty straightforward. Roger obviously had to vote my stock
in trust. But this means either Bill or Bob had to also vote against me
too. Why would Bill do such a thing? He didn't. It turned out to be Bob.
The why is still a mystery. I hadn't done THAT bad a job under the
conditions. Hindsight is 20/20, but I'd never heard anyone else state
how I should have done things differently with the information we had
at the time.
OK, it was pretty easy to see Ed Chapin coming after me simply to
consolidate his position. Or maybe he was pushed in that direction by
Roger. I'm not sure.
The reason Roger Elton voted against me quickly became obvious. A few
weeks later he sued both Rick and myself for misrepresentation of his
investment! And this after spending years as our council and adviser.
He never missed a board meeting. He was an insider if there ever was
one. We couldn't have found a more informed investor. It was absurd!
But he did it.
His objective was subtle but effective. It was HIS plan B. He intended
to collect under that new director's policy. Even though Rick and I had
nothing to gain, we aggressively defended the case for the insurance
company on principle. I was not done with lawyers yet.
It took a couple of years, but Roger eventually won. That $2,000 policy
paid off $1.3 million in damages and costs. Such is the nature of tort
law. Juries just like to pull the trigger when they encounter a shoot
out between a big insurance company and an individuals. So have a care
when somebody close wants you to buy some insurance.
As for Bob, I never did understand his vote. And he's never been able
to fully explain, other than "It was time for a change". To what
alternative? Ed Chapin? His most significant accomplishment was getting
me fired.
So to what purpose was this change made? Was Bob driven by fear the
company would fail? Was he jealous of my position? Or was he just
naive', and used by Roger? That scenario is the easiest to understand.
I had been naive' in many ways as well. I hadn't understood Dave
Winstanley's nature to covet our success. And I didn't think Chris
Smith would go along the way he did. Nor would I have predicted Roger
Elton's actions. But I've learned, such people DO exist. These things
DO happen.
But Bob? We'd been friends for years. On more than one occasion I'd
helped him find employment. And even though his technical contribution
was far less, he was offered a position on the project equal to Bill's.
I have to agree, he did take more risk going full-time early on, and he
certainly performed in this position. Still, did this history and
loyalty on my part count for nothing?
As for Rick Kriss, Bill and Verlene Bonham, Al Bennett, Buddy Frank,
Lonnie Cline and Mark Sorensen as well as many others - they were
informed after the fact so their loyalty was never tested. I like to
think they were kept in the dark because Roger KNEW what their opinion
of such an action would be. In any case, they all remained with the
company for some time to come.
Stride Micro continued to produce computers for another several years
as it was filtered through various ownership under different managers.
Ed Chapin didn't last long. Then came others, one of whom raided the
company and I heard ended up in jail. But that's a story for someone
else to tell. I was gone.
My Exit
It had been nearly five years since I'd started the the design. We had
grown to over a hundred employees and shipped more than ten thousand
systems. There had been amazing ups and amazing downs, but I had no
regrets.
My idea had taken physical form. It had been understood and used
effectively by thousands of the brightest people in the world, each
pushing the envelope in their own way. That was enough for me.
And by then, I was tired of airplanes and tired of living away from
home. I still believed in our products and (most) of our employees. I
wanted to do something a bit more low-key for a while. Something where
I didn't have to travel as much.
A few days later Sheri and I applied to become a VAR for Stride Micro.
My objective was to develop a vertical application of some sort and
continue to work with my friends.
Now, you may wonder how I could take such a modest position after
leading the company for years. But you forget; I have an infinite ego,
and none at all. Sage was a product I knew I could sell. I didn't care
as much about the position or title.
I signed a lease on a thousand square feet and bought a couple of desks
from Stride. I'd also been working on the design for the new product
line while I was in London. I finished up the 68020 schematics from my
new office under contract.
A week later Ed Chapin called to tell me he'd changed his mind about us
becoming a VAR. He didn't think it would be good for employee morale.
It was best if I had nothing to do with their products or employees. He
was probably right - at least from his perspective of consolidating
control. I probably would have challenged him in some way at some
point. Or the employees or board might have.
But for me, this last rejection was the worst part. Not only was I out
of the company I founded, I didn't even get to work with the product I
had created.
Shit happens.
Sheri and I moved on to build another successful business. That too is
another story, for another time.
So there it is. I'm not saying that's how it really happened. It's just
how I remember it after 25 years. If I've made any significant errors,
or you have any comments, please post below or send me an email.
... seeking simple answers to complex problems, and in the process, disrupting the status quo in technology, art and neuroscience.
Tuesday, October 30, 2007
Booting Sage Computer - A Subjective Retrospective
Posted by Sudden Disruption at 5:55 PM 20 comments