Club-80 - hardwarespezial(HTML) - AMIGASIDECAR

OLDCOMPUTERS.DYNDNS... information and more
Home | Sitemap | Rechner |--| CP/M | VzEkC e.V. | VCFed


Icon Filename Bytes Date/Time Description
[Up] ../
[SUB] amigasidecar scans/
Icon amigasidecar.htm 13,616 2023/7/17 [12:12:46]
Icon amigasidecar.txt 8,627 2023/7/17 [12:12:48]
Icon sidecarboardbestueckung.jpg 146,593 2023/7/17 [12:12:54]
Icon sidecarboarddrahtbruecken.jpg 136,544 2023/7/17 [12:12:56]
Icon sidecarboardlayout.jpg 131,867 2023/7/17 [12:12:56]
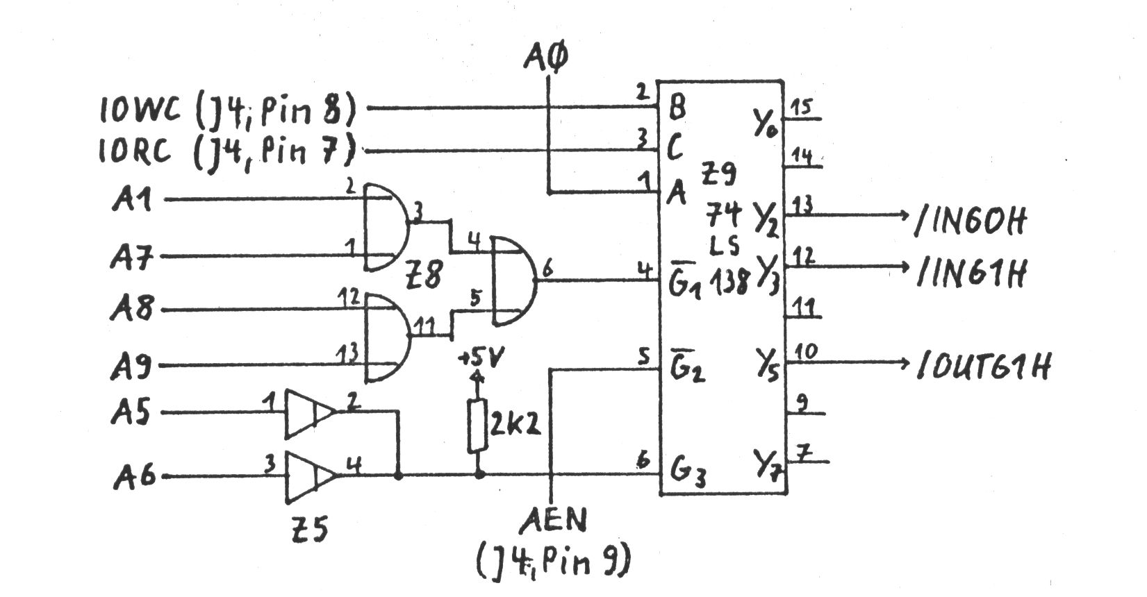
Icon sidecarfreigabesignale.jpg 106,022 2023/7/17 [12:12:58]
Icon sidecarkbd.jpg 14,979 2023/7/17 [12:13:00]
Icon sidecarporta.jpg 222,790 2023/7/17 [12:13:02]
Icon sidecarportb.jpg 97,827 2023/7/17 [12:13:02]

Directory contains 878,865 bytes in 9 files.
Generated by FilePage 4.00 (Final), © Copyright Chris Payne 1997, Ian B Manners 2002 onwards.