my_genie_3s - rekonstruktion - SHEET

OLDCOMPUTERS.DYNDNS... information and more
Home | Sitemap | Rechner |--| CP/M | VzEkC e.V. | VCFed


Icon Filename Bytes Date/Time Description
[Up] ../
Icon g3s-bauteilzuordnung.xls 200,192 2023/7/17 [18:30:14]
Icon g3s-bauteilzuordnung.xlsx 146,422 2023/7/17 [18:30:16]
Icon g3s_38_aktiv_anzahl_pro_wert.jpg 1,114,864 2023/7/17 [18:30:16]
Icon g3s_38_passiv_anzahl_pro_wert.jpg 1,153,672 2023/7/17 [18:30:18]
Icon g3s_39_passiv_anzahl_pro_wert.jpg 794,813 2023/7/17 [18:30:20]
Icon g3s_40_passiv_bauteilname.jpg 1,083,599 2023/7/17 [18:30:22]
Icon g3s_41_passiv_bauteilname.jpg 992,782 2023/7/17 [18:30:22]
Icon g3s_43_aktiv_anzahl_pro_wert.jpg 604,429 2023/7/17 [18:30:24]
Icon g3s_44_aktiv_bauteilname.jpg 1,097,769 2023/7/17 [18:30:26]
Icon g3s_45_aktiv_bauteilname.jpg 984,742 2023/7/17 [18:30:26]
Icon g3s_bestueckung.jpg 2,337,604 2023/7/17 [18:30:28]
Icon g3s_bestueckung_a_bereiche.jpg 2,992,067 2023/7/17 [18:30:30]
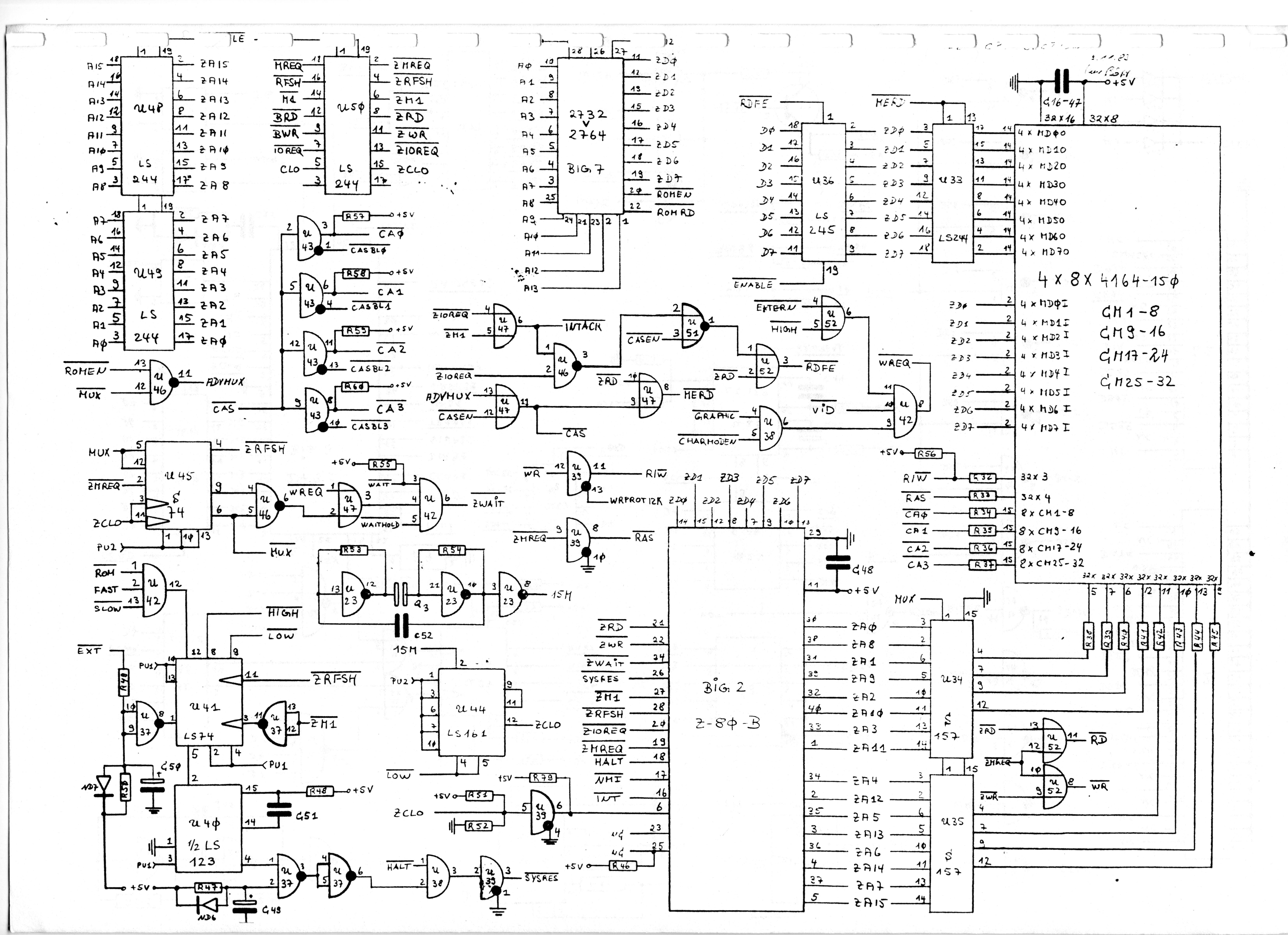
Icon g3s_cpu-ram.jpg 2,806,506 2023/7/17 [18:30:32]
Icon g3s_crt.jpg 2,228,276 2023/7/17 [18:30:34]
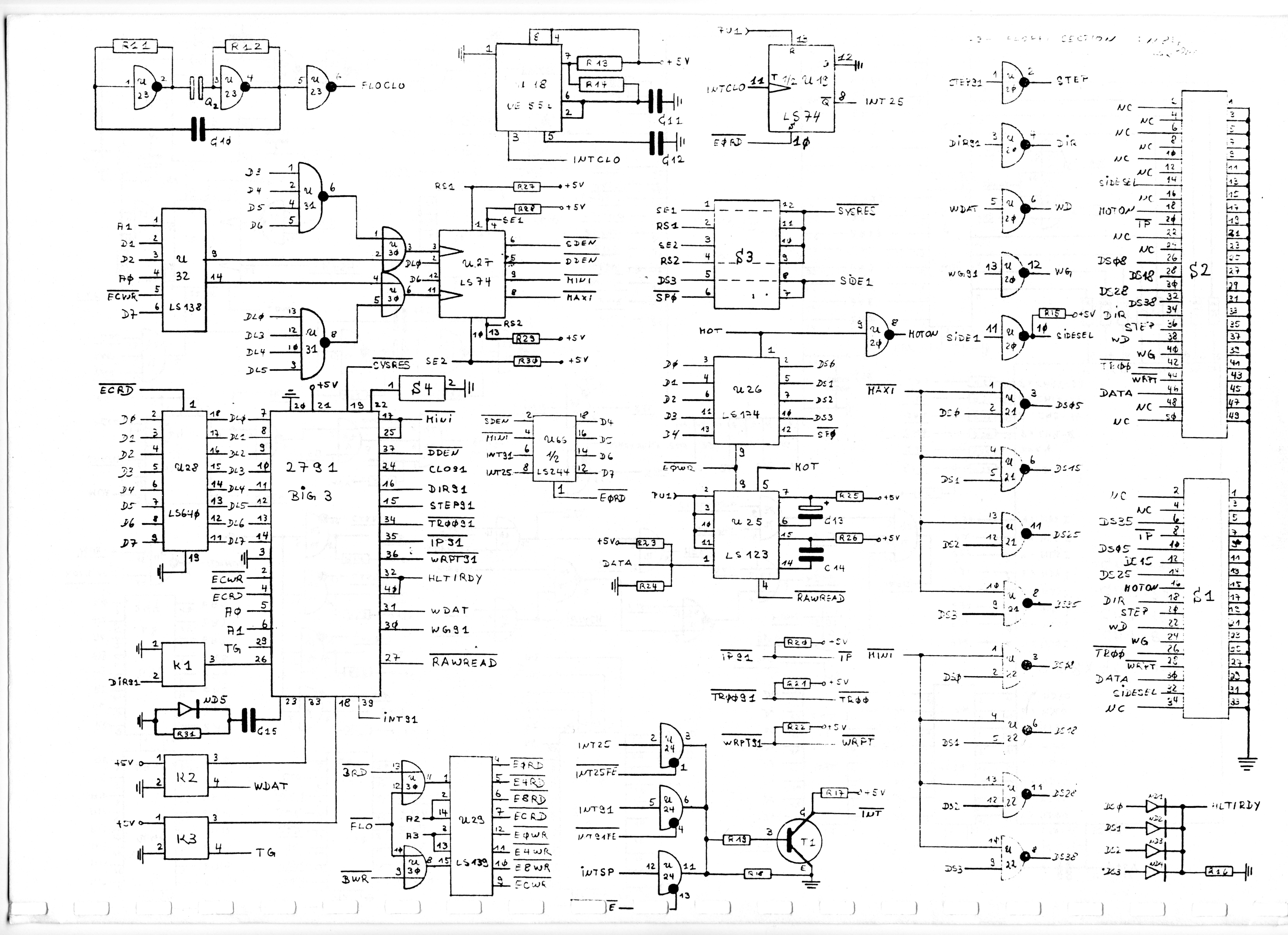
Icon g3s_fdc.jpg 2,459,429 2023/7/17 [18:30:36]
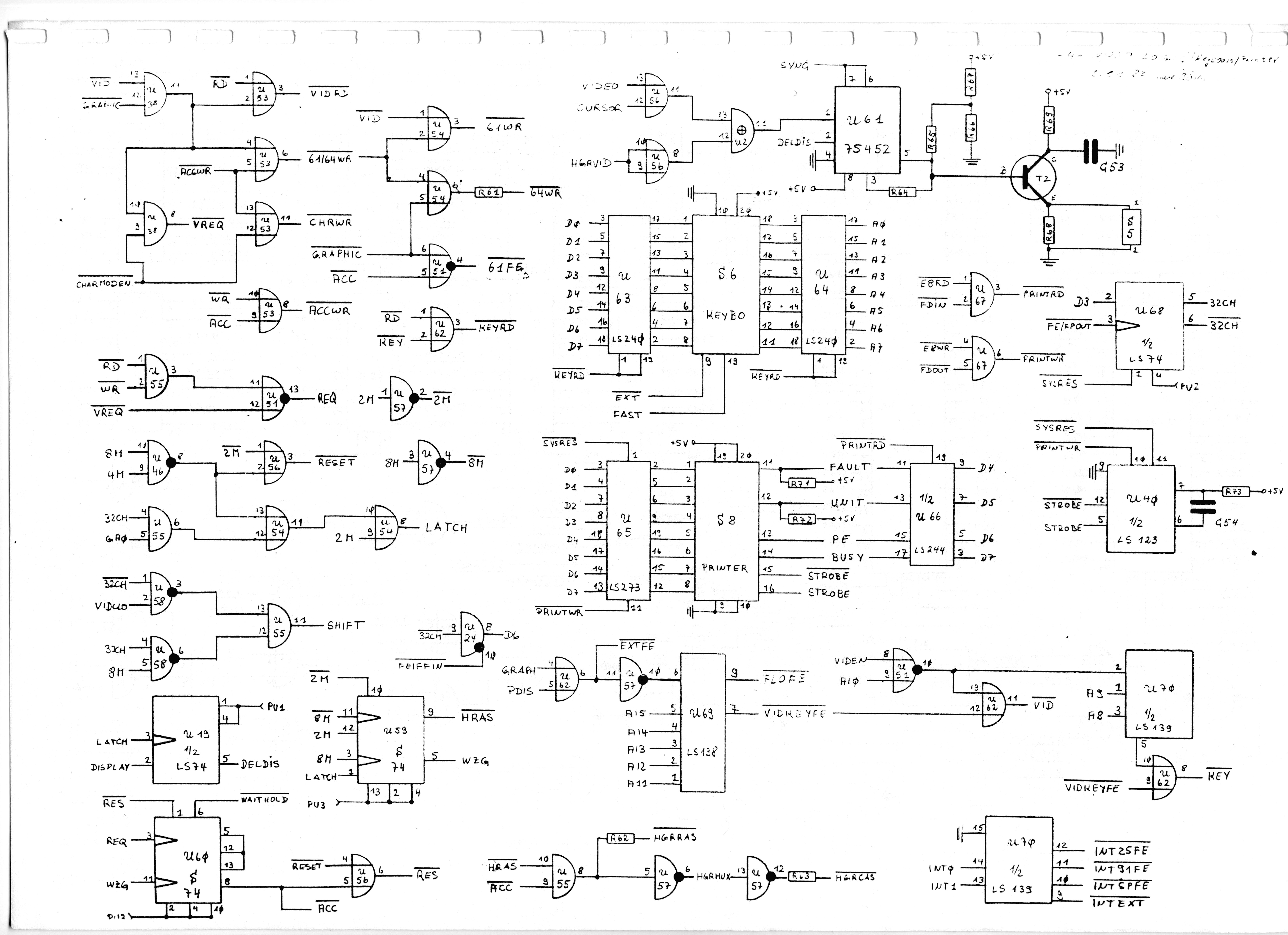
Icon g3s_keyb-printers.jpg 2,157,495 2023/7/17 [18:30:36]
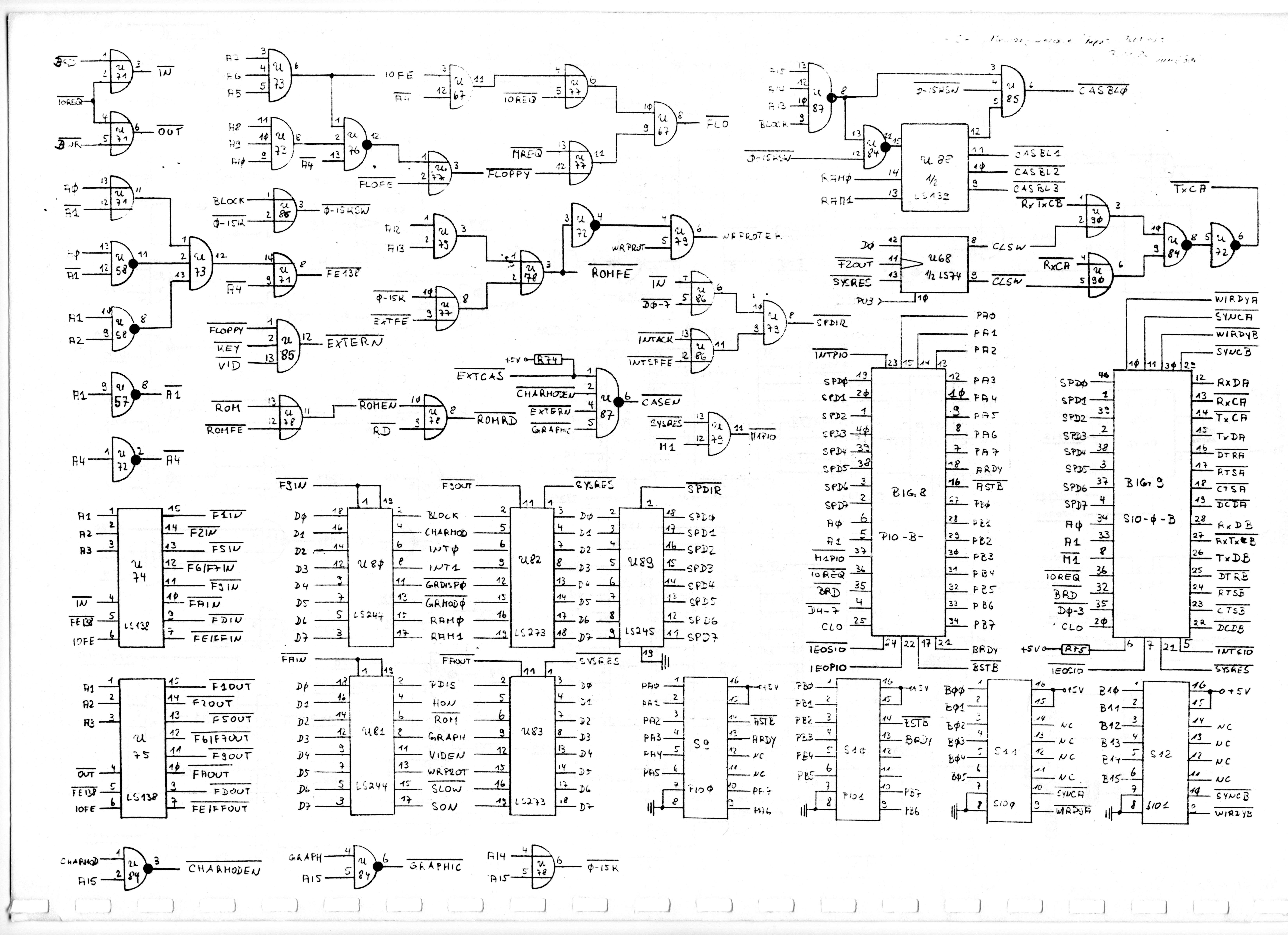
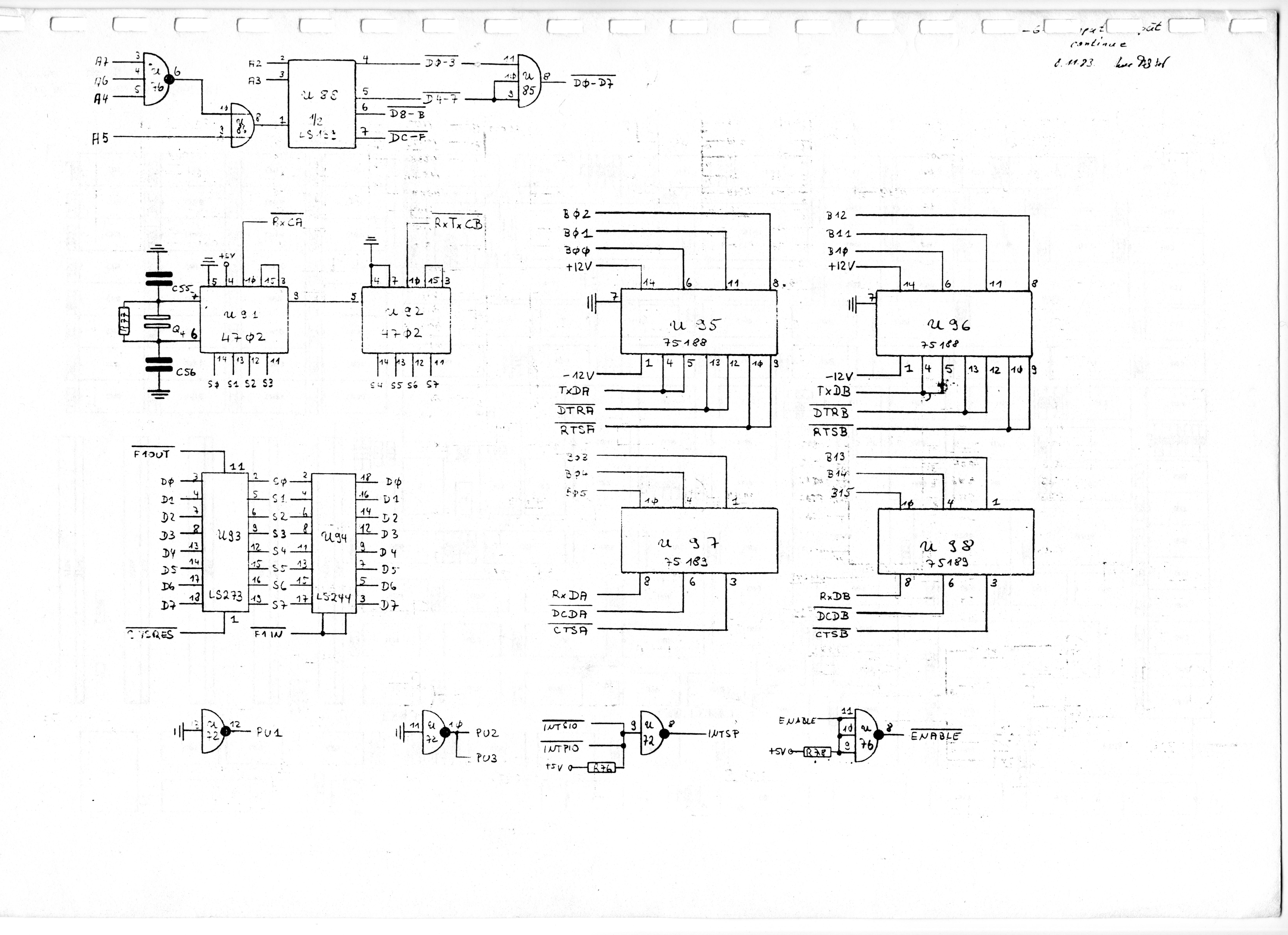
Icon g3s_sio-pio.jpg 2,757,119 2023/7/17 [18:30:38]
Icon g3s_sio-rest.jpg 2,485,673 2023/7/17 [18:30:40]

Directory contains 28,397,453 bytes in 18 files.
Generated by FilePage 4.00 (Final), © Copyright Chris Payne 1997, Ian B Manners 2002 onwards.