Sidecar mit 4 Rädern

Amiga's Sidecar wird ein selbständiger PC

Helmut Bernhardt, Christof Ueberschaar

Eine der aufwendigsten Varianten, einen PC-XT zu betreiben, besteht darin, anstelle einer Tastatur und einer Video-Karte mit angeschlossenem Monitor einen kompletten 68000-Computer mit einem aufwendigen Interface für solche Kleinigkeiten zu bemühen. Dieser vornehme Stil wurde beim Gespann Amiga1000 und dem dazugehörigen Sidecar gewahrt. Kurze Zeit nach der Einführung wurde diese aufwendige Kombination durch die Nachfolgemodelle Amiga500 und Amiga2000 abgelöst. Die Motherboards des Amiga Sidecars werden heute (1988) noch im Elektronik-Ramschhandel für ca. 15 DM verkauft.

Bei näherer Untersuchung stellt sich heraus, daß dieses Board fast ein vollständiges XT-Motherboard mit 256K RAM (aufrüstbar auf 512K) und zusätzlichem Floppy-Controller ist. Um aus dem Sidecar einen selbständigen PC zu machen, muß nur noch ein Tastatur-Interface nachgerüstet werden und eine Video-Karte in eines der leider nur 3 vorhandenen Slots gesteckt werden. Dabei mag es tröstlich sein, daß ein Floppy-Controller bereits auf dem Motherboard vorhanden ist.

Aus den Schaltplänen eines anderen PC-Kompatiblen geht hervor, wie der Anschluß einer Tastatur zu erfolgen hat. Danach sollen die seriell/parallel-gewandelten Scan-Codes der Tastatur über den als Eingang konfigurierten Port A eines 8255-Parallelport-Bausteins eingelesen werden. Die Steuerung der Tastatur wird über D6 und D7 des als Ausgang eingestellten Port B des 8255 durchgeführt. Die anderen Bits des Port B erledigen weitere Aufgaben wie Sound-Ausgabe, Rücksetzen von Flags bei Parity-Fehlern im Speicher oder Fehlern bei Erweiterungskarten und Anwahl der unteren oder oberen Vierergruppe des Dil8-Schalters (zur Vorgabe der Systemkonfiguration) zum Auslesen über die untere Hälfte des Port C des 8255. Die obere Hälfte des Port C dient zum Auslesen der Fehlerflags und des jeweiligen Pegels am Lautsprechereingang.

Einen 8255 sucht man im Sidecar aber vergebens. Andererseits müssen bis auf Parity-Check (die Sidecar-Hardware sieht dies nicht vor) und Tastatur-Anschluß (was durch das Amiga-Interface bereitgestellt wird) alle anderen Funktionen des 8255 auch im Sidecar auf andere Art realisiert sein, denn die entsprechenden Steuerungen funktionieren dort einwandfrei.

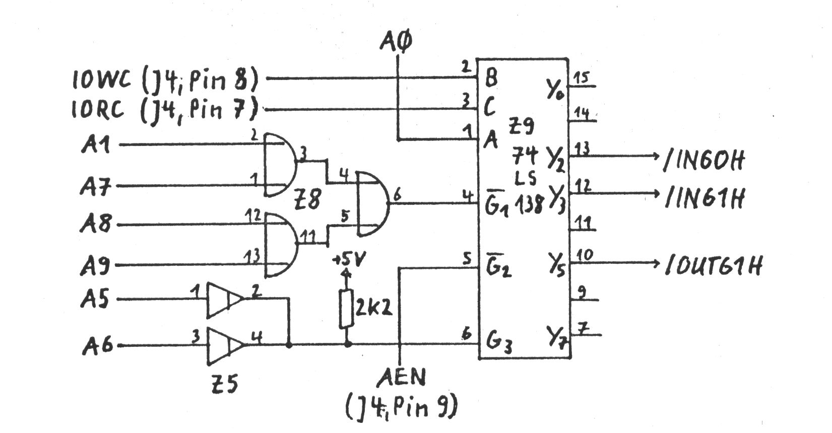
Auf der Suche nach Fragmenten des 8255 stößt man zunächst auf U25, 74HCT174. Mit diesem Latch werden 5 Ausgabe-Bits des Port B des 8255 bereitgestellt. Die Pins 2, 4 und 6 bleiben dort aber unberücksichtigt.

Der Port C des 8255 wird durch U20, 74HCT257 (Auslesen des Dil8-Schalters SW1 über D0-D3) und U26, 74HCT367 (Auslesen von Fehlerflags über D4-D7) dargestellt. Port A, über den die Scan-Codes der Tastatur einzulesen sind, fehlt gänzlich und eine Möglichkeit, die über die verfügbaren Bits von Port B eingestellte Systemkonfiguration zurückzulesen, ist auf dem Motherboard auch nicht zu finden. Diese Funktionseinheiten werden offensichtlich vom Amiga-Interface bereitgestellt und müssen bei dessen Wegfall nachgerüstet werden.

Abb. 1.1 Nachgebildeter Port A eines 8255 mit Seriell/Parallel-Wandler und Handshaking zwischen Computer und Tastatur

Die in Abbildung 1.1 gezeigte Schaltung stellt den mit einem 74LS245 nachempfundenen Port A des 8255 dar, über den ein 74LS322-Seriell/ Parallel-Wandler angeschlossen ist. Das über D6 und D7 von Port B abgewickelte Handshaking zwischen Tastatur und Computer wird mit einigen Flip Flops und Open Collector Treibern realisiert. Das Freigabesignal zum Auslesen von Port A und auch die Freigabesignale zum Lesen und Schreiben von Port B werden mit der in Abbildung 1.2 wiedergegebenen Schaltung erzeugt.







Abb. 1.2 Erzeugen der Freigabe-Signale des Tastatur-Ports

Der Port B läßt sich gemäß Abbildung 1.3 auch rücklesbar gestalten. Um den Verdrahtungsaufwand zwischen Zusatzschaltung und Motherboard in Grenzen zu halten, wird der Port B zusätzlich zu der in U25 auf dem Motherboard schon vorhandenen Form auf dem Tastatur-Interface nochmals durch einen 74LS576 und einen 74LS245 unter Berücksichtigung aller 8 Bits zur Verfügung gestellt (Abb. 1.3).

Abb. 1.3 Der auslesbare Port B des 8255

Diese Schaltungselemente lassen sich auf einer kleinen Platine unterbringen, die anstelle des Amiga-Interface auf die Steckerleiste J3 aufzusetzen ist. Dafür muß von der Lötseite des Platinchens eine 34polige Pfostenbuchse angelötet werden. Bei Beschaffungsschierigkeiten leistet auch eine VG64-a,b-Buchse nach Ablängen auf 34 Kontakte diesen Dienst.

Außer den auf J3 zugänglichen Signalen (+5V, GND, Daten und Adressen) müssen noch einige Signale von J4 und von 2 Punkten auf dem Motherboard zugeführt werden. Die Anschlußpunkte auf dem Platinchen sind aus Abbildung 2.3 zu ersehen, sie müssen mit folgenden Punkten auf dem Motherboard verbunden werden.

2.1 beim einseitigen Layout sind etliche Drahtbrücken nötig 2.2 Bestückung und Anschluß der freien Verdrahtungen vom Motherboard
Signal von/zu
Tastatur-Interface
Anschlußpunkt auf
dem Motherboard

IRQ1J4, Pin 28
PCLKU27, 74LS74, Pin 3
/PB7J4, Pin 17
/RESET INU25, 74HCT174, Pin1
/IOWCJ4, Pin 8
/IORCJ4, Pin 7
AENJ4, Pin 9
Stückliste
Z174LS245   R1 2k2
Z274LS322RN1 Widerstandsnetzwerk
Z374LS74   8-Pin, 7*4K7 oder 5-Pin, 4*4K7
Z474LS74C1 100nF Keramik
Z57407J3 34polige Buchsenleiste
Z674LS245   (lötseitig bestücken)
Z774LS576Drahtbrücken (isolierter Draht)
Z874LS32Leiterkärtchen
Z974LS138

Der einfachen Schaltung entsprechend ist das Layout einseitig mit einer entsprechenden Anzahl Drahtbrücken (Abb. 2.2) ausgeführt. Die Drahtbrücken müssen vor dem Einlöten der ICs bzw. der IC-Sockel (nur anreihbare Typen verwenden) in dünnem Kupferlack-Draht oder Wrapdraht gezogen werden, um bei der teilweise dichten Lage Kurzschlüsse zu vermeiden.

Neben dem Widerstandsnetzwerk sind die Anschlüsse für die Tastatur zu finden. Die Belegung der üblichen 5poligen Diodenstecker von PC-Tastaturen geht aus Abbildung 3 hervor.

Abb. 3 Signalbelegung der 5poligen Diodenbuchse am PC für den Anschluß der Tastatur

Ganz ohne Eingriffe auf dem Sidecar-Motherboard geht es leider doch nicht. Pin 9 von U27, 74LS74, der ebenfalls den Tastatur-Hardware-Interupt IRQ1 bedient, muß durchtrennt werden. Für eine einwandfreie Funktion ohne Amiga-Interface sind die Schalter 1 und 2 des Dil4-Schalters SW2 auf ON zu stellen, damit nicht die Ausgänge eines CD4020-Zählers die Bits 0 und 3 des Datenbus bei Zugriff auf den Videokarten-Statusport 3BAh (Schalter 1 OFF) bzw. 3DAh (Schalter 1 ON) belegen.

2.3 Das Layout des Tastatur-Interface, bestückungsseitig gesehen

Ein PC-XT mit 4,77MHz Takt und 512K RAM ist nun nichts Umwerfendes, er reicht aber für die meisten Anwendungen aus und kann auf diese Weise sehr kostengünstig realisiert werden. Wer etwas mehr herausholen will, kann einen V20-Processor und ein V20-BIOS einsetzen und gewinnt dadurch nochmal gute 10% mehr Geschwindigkeit.

Leider paßt er wegen der Anordnung der Slots in kein übliches PC-Gehäuse und stellt nach Einstecken von Video-Karte und Harddisk-Controller auch nur noch ein freies Slot zur Verfügung. Auch beim Anschluß eines Netzteils muß man die einzelnen Kabel dem anders belegten Anschlußstecker auf dem Motherboard anpassen.

Belegung der Pfostenleisten J3 und J4 im Sidecar
Stecker J3Stecker J4

+5V1o   o2+5V+5V1o   o2+5V
o4nc/MEMR3o   o4/MEMW
D05o   o6D1o6nc
D27o   o8D3/IORC7o   o8/IOWC
D49o   o10D5AEN9o   o10/DACK0
D611o   o12D7GND11o   o12CLK
A013o   o14A1GND13o   o14IRQ3
A215o   o16A3IRQ715o   o16IRQ4
A417o   o18A5/PB717o   o18U29,Pin11
A619o   o20A7I/OCHRDY19o   o20/RESET IN
A821o   o22A9/WR21o   o22U40,Pin13
A1023o   o24A11U40,Pin1123o   o24nc
A1225o   o26A13nc25o   o26nc
A1427o   o28A15U40,Pin1227o   o28IRQ1
A1629o   o30A17SW2,429o   o30SW2,1
A1831o   o32A19SW2,331o   o32SW2,2
GND33o   o34GNDGND33o   o34GND