rechner - conitec - CF-KARTE

OLDCOMPUTERS.DYNDNS... information and more
Home | Sitemap | Rechner |--| CP/M | VzEkC e.V. | VCFed


Icon Filename Bytes Date/Time Description
[Up] ../
[SUB] aus_cpm-forum/
[SUB] bilder/
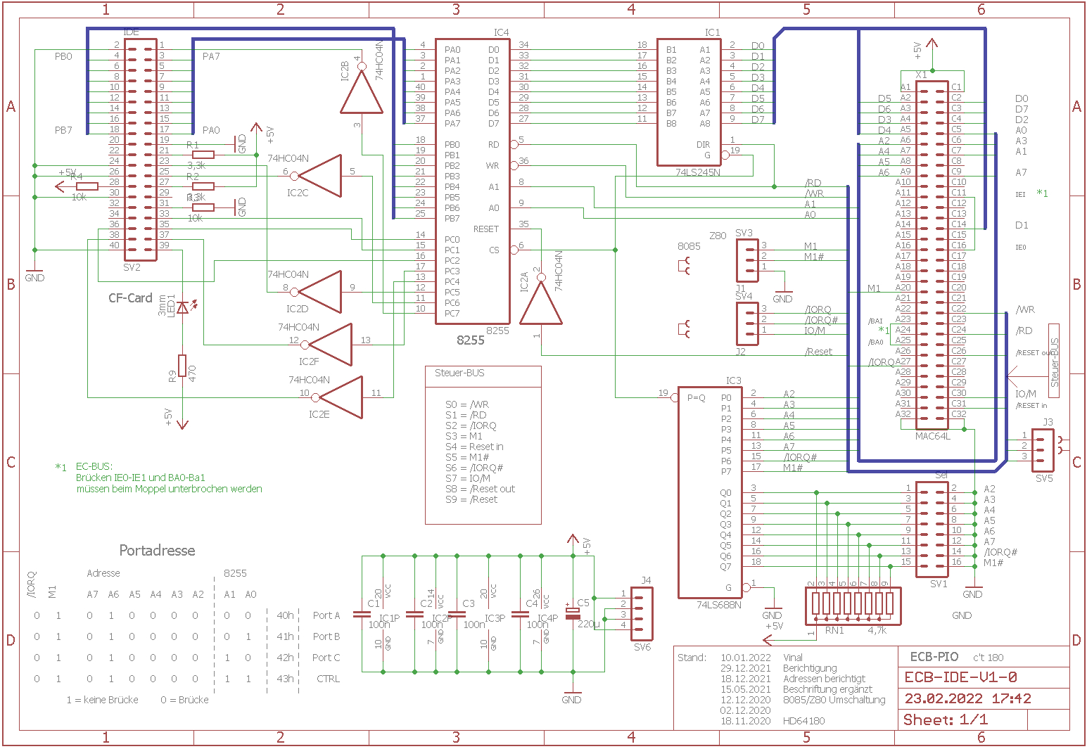
Icon ecb-ide-card-v1-1-schaltbild_23-02-22_1742.jpg 727,947 2022/2/27 [11:05:58]
Icon ecb-ide-v1-0_2022-01-20.zip 287,085 2022/1/22 [08:44:20] gerber files
Icon mc_ide_2022-01-20.zip 282,926 2022/1/22 [08:44:20] gerber files

Directory contains 1,297,958 bytes in 3 files.
Generated by FilePage 4.00 (Final), © Copyright Chris Payne 1997, Ian B Manners 2002 onwards.